Для студентов по предмету Механика жидкости и газа (МЖГ или Гидравлика)По короткому трубопроводу, участки которого имеют диаметры d1 и d2, вода перетекает из закрытого бака с избыточным давлением воздуха рм в открытый бакПо короткому трубопроводу, участки которого имеют диаметры d1 и d2, вода перетекает из закрытого бака с избыточным давлением воздуха рм в открытый бак
5,0051
2021-12-272021-12-27СтудИзба
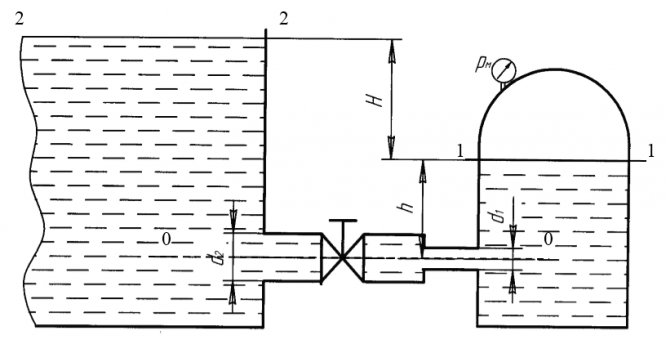
По короткому трубопроводу, участки которого имеют диаметры d1 и d2, вода перетекает из закрытого бака с избыточным давлением воздуха рм в открытый бак при постоянной разности уровней Н (рис. 1). Ось трубопровода заглублена под уровень в правом баке н
Описание
По короткому трубопроводу, участки которого имеют диаметры d1 и d2, вода перетекает из закрытого бака с избыточным давлением воздуха рм в открытый бак при постоянной разности уровней Н (рис. 1). Ось трубопровода заглублена под уровень в правом баке на h. Определить расход (пренебрегая потерями по длине) для случая, когда задвижка полностью открыта и ее коэффициент сопротивления ξз = 0, и для случая, когда она открыта на 0,25 и ξз.
Дано: d1 = 60 мм; d2 =90 мм; h = 2 м; H = 3,9 м; рм = 190 кПа; ξз = 16;
Найти: V - ?
Характеристики решённой задачи
Программы
Просмотров
15
Качество
Идеальное компьютерное
Размер
67,35 Kb
Список файлов
Задача1.docx
