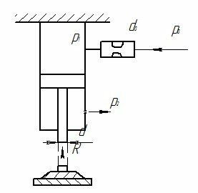
Для студентов по предмету Механика жидкости и газа (МЖГ или Гидравлика)Масло через дроссель диаметром d0=1,5 мм подводится в поршневую полость цилиндра. Давление перед дросселем p=12,5 МПа, давление на сливе p2=200 кПа, уМасло через дроссель диаметром d0=1,5 мм подводится в поршневую полость цилиндра. Давление перед дросселем p=12,5 МПа, давление на сливе p2=200 кПа, у
5,00518118
2021-12-272021-12-27СтудИзба
Масло через дроссель диаметром d0=1,5 мм подводится в поршневую полость цилиндра. Давление перед дросселем p=12,5 МПа, давление на сливе p2=200 кПа, усилие на штоке R=20 кН, диаметр поршня D=80 мм, диаметр штока d=50 мм. Определить скорость перемещен
Описание
Масло через дроссель диаметром d0=1,5 мм подводится в поршневую полость цилиндра. Давление перед дросселем p=12,5 МПа, давление на сливе p2=200 кПа, усилие на штоке R=20 кН, диаметр поршня D=80 мм, диаметр штока d=50 мм. Определить скорость перемещения поршня, если коэффициент расхода μдр=0,62, плотность рабочей жидкости ρ=895 кг/м3 Весом штока и поршня, трением в гидроцилиндре и утечками жидкости пренебречь. Давление поршня считать равномерным.
Каким должен быть диаметр дросселя d01 чтобы скорость перемещения дросселя стала ϑn=5 см/с.
Каким должен быть диаметр дросселя d01 чтобы скорость перемещения дросселя стала ϑn=5 см/с.

Характеристики решённой задачи
Просмотров
1
Качество
Идеальное компьютерное
Размер
41,7 Kb
Список файлов
