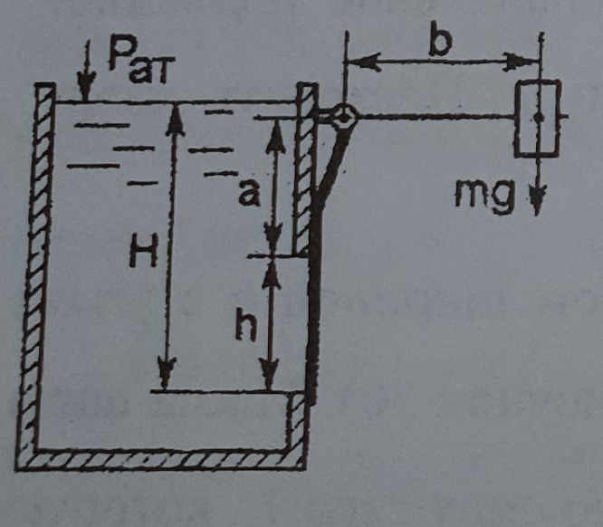
Для студентов по предмету Механика жидкости и газа (МЖГ или Гидравлика)Квадратное отверстие со стороной h=0,8м в вертикальной стенке резервуара закрыто плоским щитом. Щит закрывается грузом массой m на плече b=0,95м. ОпреКвадратное отверстие со стороной h=0,8м в вертикальной стенке резервуара закрыто плоским щитом. Щит закрывается грузом массой m на плече b=0,95м. Опре
5,0054
2021-11-272021-11-27СтудИзба
Квадратное отверстие со стороной h=0,8м в вертикальной стенке резервуара закрыто плоским щитом. Щит закрывается грузом массой m на плече b=0,95м. Определить величину массу груза m, необходимую для удержания воды в резервуаре на уровне H=1,3 м, если р
Описание
Квадратное отверстие со стороной h=0,8м в вертикальной стенке резервуара закрыто плоским щитом. Щит закрывается грузом массой m на плече b=0,95м. Определить величину массу груза m, необходимую для удержания воды в резервуаре на уровне H=1,3 м, если расстояние от верхней кромки отверстия до оси вращения щита a=0,3 м.
Характеристики решённой задачи
Программы
Просмотров
52
Качество
Идеальное компьютерное
Размер
550,96 Kb
Список файлов
