Для студентов по предмету Механика жидкости и газа (МЖГ или Гидравлика)Вода протекает по трубке Вентури (D1=250 мм; D2=100 мм). Определить режим течения в трубе с D1, если разность показаний пьезометров h=0,30 м. (ПринятьВода протекает по трубке Вентури (D1=250 мм; D2=100 мм). Определить режим течения в трубе с D1, если разность показаний пьезометров h=0,30 м. (Принять
5,00512
2021-10-142021-10-14СтудИзба
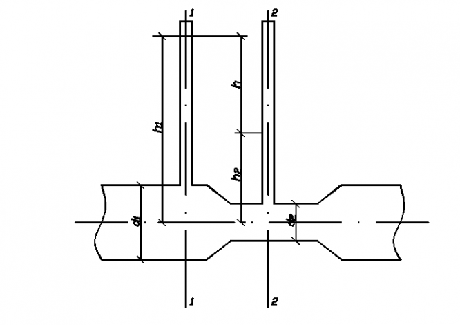
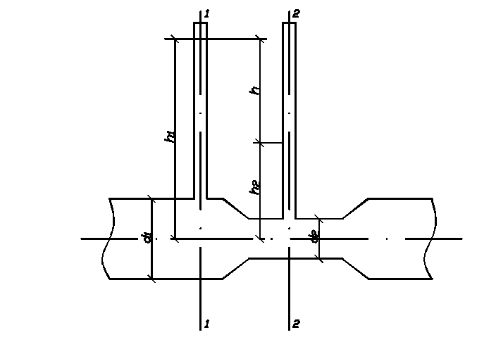
Вода протекает по трубке Вентури (D1=250 мм; D2=100 мм). Определить режим течения в трубе с D1, если разность показаний пьезометров h=0,30 м. (Принять v=1,306·10-6 м2/с). Сопротивлениями пренебречь.
Описание
Вода протекает по трубке Вентури (D1=250 мм; D2=100 мм). Определить режим течения в трубе с D1, если разность показаний пьезометров h=0,30 м. (Принять v=1,306·10-6 м2/с). Сопротивлениями пренебречь.

Характеристики решённой задачи
Программы
Просмотров
95
Качество
Идеальное компьютерное
Размер
32,5 Kb
Список файлов
