Главная » Учебные материалы » Механика жидкости и газа (МЖГ или Гидравлика) » Решения задач » Сосуд, заполненный ртутью не на весь свой объем, соединен с пьезометром (см. рисунок). Высота столба жидкости hг.н в сосуде над точкой А равна - 0,65 м, а в пьезометре – hр = 2,3 м. Определить давление над свободной поверхностью ртути в сосуде (темпе

Сосуд, заполненный ртутью не на весь свой объем, соединен с пьезометром (см. рисунок). Высота столба жидкости hг.н в сосуде над точкой А равна - 0,65 м, а в пьезометре – hр = 2,3 м. Определить давление над свободной поверхностью ртути в сосуде (темпе

Описание

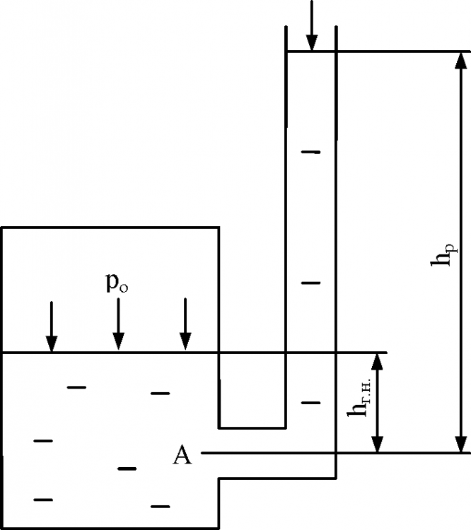
Сосуд, заполненный ртутью не на весь свой объем, соединен с пьезометром (см. рисунок). Высота столба жидкости hг.н в сосуде над точкой А равна - 0,65 м, а в пьезометре – hр = 2,3 м. Определить давление над свободной поверхностью ртути в сосуде (температура ртути 20 ºС), если барометрическое давление рбар составляет 101,3 кПа.

Характеристики решённой задачи

Список файлов

Картинка-подпись

Комментарии

Нет комментариев
Стань первым, кто что-нибудь напишет!
Поделитесь ссылкой:
Цена: 79 руб.
Расширенная гарантия +3 недели гарантии, +10% цены
Рейтинг покупателей
5 из 5
Поделитесь ссылкой:
Сопутствующие материалы
FREE
И.И. Куколевский, Л.Г. Подвидз - Сборник задач по машиностроительной гидравлике
Для горизонтального трубопровода, размеры которого указаны в таблице, определить расход Бугуруслановской нефти при температуре t = 18° C, если показание манометра PM. Коэффициент сопротивления вентиля и сопла соответственно равны ζв=4, ζс=0,6. Трубы
Задача по гидравлике/МЖГ
Определить потери давления при движении воды в стальном трубопроводе диаметром d=0,1 м длиной L=200 м, состоящем из секций с длинами l=10 м, сваренных электродуговой сваркой с толщиной выступа стыка над внутренней поверхностью трубопровода δ=3 мм. Ср
Для измерения скорости воздушного потока (ρв=1,26 кг/м3) использована скоростная трубка с двумя отверстиями - динамическим, расположенным в критической точке К, и статическим – в точке С, где коэффициент давления равен нулю. Определить скорость возду
Трубопровод диаметром d=0,3 м, длиной l=100 м, подготовленный к гидравлическому испытанию, заполнен водой при атмосферном давлении. Коэффициент сжимаемости воды принять равным βр=0,5⋅10-9 Па-1. Деформацией трубопровода пренебречь. Определить, какое к

Подобрали для Вас услуги

-40%
-30%
Вы можете использовать решённую задачу для примера, а также можете ссылаться на неё в своей работе. Авторство принадлежит автору работы, поэтому запрещено копировать текст из этой работы для любой публикации, в том числе в свою задачу в учебном заведении, без правильно оформленной ссылки. Читайте как правильно публиковать ссылки в своей работе.
Свежие статьи
Популярно сейчас
А знаете ли Вы, что из года в год задания практически не меняются? Математика, преподаваемая в учебных заведениях, никак не менялась минимум 30 лет. Найдите нужный учебный материал на СтудИзбе!
Ответы на популярные вопросы
Да! Наши авторы собирают и выкладывают те работы, которые сдаются в Вашем учебном заведении ежегодно и уже проверены преподавателями.
Да! У нас любой человек может выложить любую учебную работу и зарабатывать на её продажах! Но каждый учебный материал публикуется только после тщательной проверки администрацией.
Вернём деньги! А если быть более точными, то автору даётся немного времени на исправление, а если не исправит или выйдет время, то вернём деньги в полном объёме!
Да! На равне с готовыми студенческими работами у нас продаются услуги. Цены на услуги видны сразу, то есть Вам нужно только указать параметры и сразу можно оплачивать.
Отзывы студентов
Ставлю 10/10
Все нравится, очень удобный сайт, помогает в учебе. Кроме этого, можно заработать самому, выставляя готовые учебные материалы на продажу здесь. Рейтинги и отзывы на преподавателей очень помогают сориентироваться в начале нового семестра. Спасибо за такую функцию. Ставлю максимальную оценку.
Лучшая платформа для успешной сдачи сессии
Познакомился со СтудИзбой благодаря своему другу, очень нравится интерфейс, количество доступных файлов, цена, в общем, все прекрасно. Даже сам продаю какие-то свои работы.
Студизба ван лав ❤
Очень офигенный сайт для студентов. Много полезных учебных материалов. Пользуюсь студизбой с октября 2021 года. Серьёзных нареканий нет. Хотелось бы, что бы ввели подписочную модель и сделали материалы дешевле 300 рублей в рамках подписки бесплатными.
Отличный сайт
Лично меня всё устраивает - и покупка, и продажа; и цены, и возможность предпросмотра куска файла, и обилие бесплатных файлов (в подборках по авторам, читай, ВУЗам и факультетам). Есть определённые баги, но всё решаемо, да и администраторы реагируют в течение суток.
Маленький отзыв о большом помощнике!
Студизба спасает в те моменты, когда сроки горят, а работ накопилось достаточно. Довольно удобный сайт с простой навигацией и огромным количеством материалов.
Студ. Изба как крупнейший сборник работ для студентов
Тут дофига бывает всего полезного. Печально, что бывают предметы по которым даже одного бесплатного решения нет, но это скорее вопрос к студентам. В остальном всё здорово.
Спасательный островок
Если уже не успеваешь разобраться или застрял на каком-то задание поможет тебе быстро и недорого решить твою проблему.
Всё и так отлично
Всё очень удобно. Особенно круто, что есть система бонусов и можно выводить остатки денег. Очень много качественных бесплатных файлов.
Отзыв о системе "Студизба"
Отличная платформа для распространения работ, востребованных студентами. Хорошо налаженная и качественная работа сайта, огромная база заданий и аудитория.
Отличный помощник
Отличный сайт с кучей полезных файлов, позволяющий найти много методичек / учебников / отзывов о вузах и преподователях.
Отлично помогает студентам в любой момент для решения трудных и незамедлительных задач
Хотелось бы больше конкретной информации о преподавателях. А так в принципе хороший сайт, всегда им пользуюсь и ни разу не было желания прекратить. Хороший сайт для помощи студентам, удобный и приятный интерфейс. Из недостатков можно выделить только отсутствия небольшого количества файлов.
Спасибо за шикарный сайт
Великолепный сайт на котором студент за не большие деньги может найти помощь с дз, проектами курсовыми, лабораторными, а также узнать отзывы на преподавателей и бесплатно скачать пособия.
Популярные преподаватели
Добавляйте материалы
и зарабатывайте!
Продажи идут автоматически
7199
Авторов
на СтудИзбе
249
Средний доход
с одного платного файла
Обучение Подробнее