Для студентов по предмету Механика жидкости и газа (МЖГ или Гидравлика)Определить развиваемые выходные валом гидромотора полезный крутящий момент и частоту вращения в момент максимальной утечки масла через гидроаппаратуруОпределить развиваемые выходные валом гидромотора полезный крутящий момент и частоту вращения в момент максимальной утечки масла через гидроаппаратуру
5,00518142
2019-04-022019-04-02СтудИзба
Определить развиваемые выходные валом гидромотора полезный крутящий момент и частоту вращения в момент максимальной утечки масла через гидроаппаратуру и падения давления масла в гидролиниях напорной и сливной
Описание
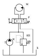
В объемном гидроприводе используется гидромотор с рабочим объемом V0. Насос развивает давление рн и постоянную подачу Qн.
Определить развиваемые выходные валом гидромотора полезный крутящий момент М и частоту вращения в момент максимальной утечки масла через гидроаппаратуру Qут и падения давления масла в гидролиниях напорной рн и сливной рсл. Гидромеханический КПД гидромотора ηгм = 0,9 и объемный КПД ηоб= 0,98.
Дано: V0=50 см3; рн=14,1 МПа; Qн=44 л/мин; Qут=2 л/мин; Δрн=0,3 МПа; Δрсл=0,54 МПа.

Характеристики решённой задачи
Просмотров
96
Размер
37,61 Kb
Список файлов
Задача .docx
