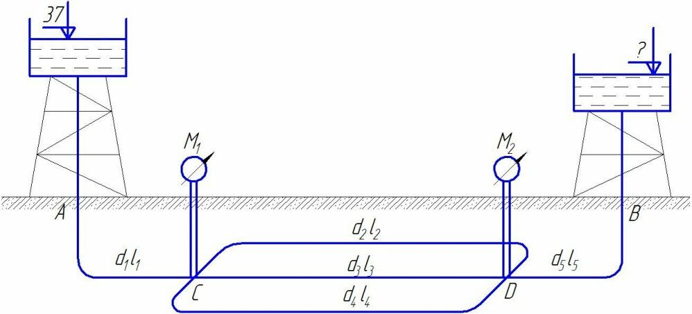
Для студентов по предмету Механика жидкости и газа (МЖГ или Гидравлика)Из водонапорной башни А с отметкой горизонта воды НА=37 м по системе труб, включающей кольцевое соединение на участке CD, вода подается в напорный бакИз водонапорной башни А с отметкой горизонта воды НА=37 м по системе труб, включающей кольцевое соединение на участке CD, вода подается в напорный бак
5,0059
2019-03-042019-03-04СтудИзба
Из водонапорной башни А с отметкой горизонта воды НА=37 м по системе труб, включающей кольцевое соединение на участке CD, вода подается в напорный бак B. В узлах разветвления труб С и D выведены манометры М1 и М2. Общий расход воды в системе Q=35 л/с
Описание

Из водонапорной башни А с отметкой горизонта воды НА=37 м по системе труб, включающей кольцевое соединение на участке CD, вода подается в напорный бак B. В узлах разветвления труб С и D выведены манометры М1 и М2. Общий расход воды в системе Q=35 л/с.
Диаметры и длины участков трубопроводов: d1=350 мм; d2=300 мм; d3=250 мм; d4=250 мм; d5=250 мм; l1=400 м; l2=250 м; l3=260 м; l4=270 м; l5=250 м. Трубы проложены на одном горизонте.
Определить расходы воды в параллельных участках кольцевого соединения (Q2, Q3, Q4), показания первого и второго манометров (рман1 и рман2), а также отметку горизонта воды в баке В (Нв).
Трубы водопроводные нормальные. Потери напора в местных сопротивлениях составляют 10% от потерь напора по длине (hм=10%hl).
Построить пьезометрическую линию и эпюру потерь напора.
Решение в word13.
Характеристики решённой задачи
Программы
Просмотров
234
Качество
Идеальное компьютерное
Размер
191,78 Kb
Список файлов
Задача .docx
