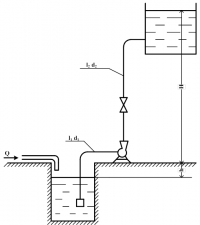
Для студентов по предмету Механика жидкости и газа (МЖГ или Гидравлика)Центробежный насос с известной характеристикой откачивает воду из сборного колодца в бассейн с постоянным уровнем H по трубопроводам l1, d1 и l2, d2. Центробежный насос с известной характеристикой откачивает воду из сборного колодца в бассейн с постоянным уровнем H по трубопроводам l1, d1 и l2, d2.
5,0052
2018-09-202018-09-20СтудИзба
Центробежный насос с известной характеристикой откачивает воду из сборного колодца в бассейн с постоянным уровнем H по трубопроводам l1, d1 и l2, d2. При работе насоса с постоянным числом оборотов n=1450 мин-1 определить глубину h, на которой установ
Описание

Дано: H=14 м; l1=5 м; d1=130 мм; l2=11 м; d2=80 мм; Q=7 л/с.
Найти: h.
В word13 с пояснениями.
Характеристики решённой задачи
Программы
Просмотров
401
Качество
Идеальное компьютерное
Размер
329,1 Kb
Список файлов
17499-16923-1537462919-zadacha.docx
