Для студентов по предмету Механика жидкости и газа (МЖГ или Гидравлика)Отопительный котел небольшого дома нагревает воду до температуры t1=85 °С. Проходя по батареям, вода охлаждается до температуры t2=60 °С.Определить пеОтопительный котел небольшого дома нагревает воду до температуры t1=85 °С. Проходя по батареям, вода охлаждается до температуры t2=60 °С.Определить пе
5,00518124
2018-02-042018-02-04СтудИзба
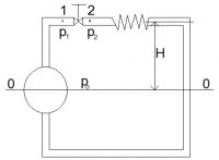
Отопительный котел небольшого дома нагревает воду до температуры t1=85 °С. Проходя по батареям, вода охлаждается до температуры t2=60 °С.Определить перепад давления на вентиле, если его закрыть во время работы систем при напоре Н=3,5 м.
Описание

Характеристики решённой задачи
Программы
Просмотров
356
Качество
Идеальное компьютерное
Размер
31,28 Kb
Список файлов
17499-16576-1517773651-zadacha.docx
