Для студентов по предмету Механика жидкости и газа (МЖГ или Гидравлика)Определить абсолютное и избыточное гидростатическое давление воды в точке А на глубине h=0,42м от поршня, если поршень диаметром d=400мм воздействует Определить абсолютное и избыточное гидростатическое давление воды в точке А на глубине h=0,42м от поршня, если поршень диаметром d=400мм воздействует
5,00514
2017-01-242017-01-24СтудИзба
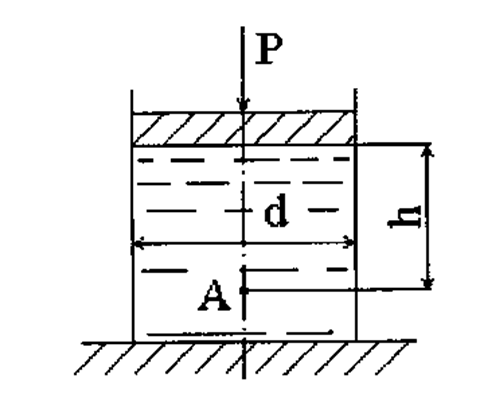
Определить абсолютное и избыточное гидростатическое давление воды в точке А на глубине h=0,42м от поршня, если поршень диаметром d=400мм воздействует сила Р=6кН, атмосферное давление Ратм=0,1МПа.
Описание
Определить абсолютное и избыточное гидростатическое давление воды в точке А на глубине h=0,42м от поршня, если поршень диаметром d=400мм воздействует сила Р=6кН, атмосферное давление Ратм=0,1МПа. ![]()

Подробное решение с пояснениями в word13.
Характеристики решённой задачи
Программы
Просмотров
1740
Качество
Идеальное компьютерное
Размер
45,36 Kb
Список файлов
17499-12382-1485282847-zadacha-3.docx
