Для студентов УГТУ по предмету Механика жидкости и газа (МЖГ или Гидравлика)РГР ГидравликаРГР Гидравлика
5,0053
2021-01-072021-01-07СтудИзба
Другое: РГР Гидравлика
Бестселлер
Описание
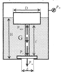
В днище резервуара с водой имеется круглое спускное отверстие, закрытое плоским клапаном. Определить, при каком диаметре цилиндрического поплавка клапан автоматически откроется при достижении высоты уровня жидкости в резервуаре Длина цепочки, связывающей поплавок с клапаном, равна вес подвижных частей устройства давление на свободной поверхности жидкости измеряется мановакуумметром, его показание равно температура воды .
Вариант | l | d | G | Pm | H | t |
4 | 1,2 | 0,05 | 40 | 35 | 1,95 | 35 |

Характеристики учебной работы
Тип
Учебное заведение
Семестр
Просмотров
23
Размер
76,44 Kb
Список файлов
задача 27.docx
Комментарии
Нет комментариев
Стань первым, кто что-нибудь напишет!
УГТУ
444
















