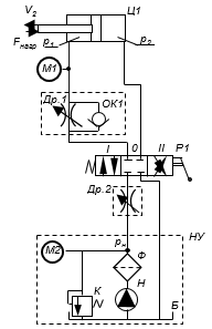
Для студентов МГТУ им. Н.Э.Баумана по предмету Механика жидкости и газа (МЖГ или Гидравлика)Испытание объемного гидропривода с дроссельным управлением с дросселем, установленным на входе гидродвигателяИспытание объемного гидропривода с дроссельным управлением с дросселем, установленным на входе гидродвигателя
5,0053
2022-01-302022-01-30СтудИзба
Лабораторная работа 5: Испытание объемного гидропривода с дроссельным управлением с дросселем, установленным на входе гидродвигателя
Описание
Отчет по ЛР№5 в ворде. Опыт проводился для установки с одним! гидроцилиндром. Сдан Никитину О.Ф. в 2021 году.
![]()

Характеристики лабораторной работы
Учебное заведение
Номер задания
Просмотров
30
Качество
Идеальное компьютерное
Размер
135,4 Kb
Список файлов
Комментарии
Нет комментариев
Стань первым, кто что-нибудь напишет!
МГТУ им. Н.Э.Баумана
shashlyk


















