Курсовая работа: Расчет нагрузок на элементы конструкции докового типа
Описание
Кафедра гидравлики
Курсовая работа
Расчет нагрузок на элементы конструкции докового типа
Содержание:
стр.
- Исходные данные........................................................................................... 3
- Цель работы.................................................................................................... 4
- Определение гидростатической нагрузки на элементы рабочей
секции дока..................................................................................................... 5
4. Расчет гидростатических нагрузок на переходную секцию дока...............7
5. Расчет гидростатической нагрузки на носовую секцию дока................... 10
6. Расчет гидростатических нагрузок и распределения ригелей на
кормовую секцию дока................................................................................. 15
7. Расчет величины полезного груза, размещаемого в плавучем доке при
частичном заполнении камеры водой.......................................................... 19
8. Литература...................................................................................................... 21
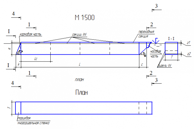
1. Исходные данные:
Параметры конструкции:
№ | Геометрические размеры, м | Масса дока, т | Число | ||||||||
вари- анта | a | c | L | R | T | Z1 | Z2 | k | секций, m | ригелей, n | |
2.7 | 5,8 | 3,5 | 55 | 1,3 | 5,8 | 0,6 | 0,4 | 2,5 | 900 | 4 | 3 |
2. Цель работы:
Для заданной схемы плавучего дока выполняется определение гидростатических нагрузок на различные конструктивные элементы.
В заключение работы проверяется возможность транспортировки полезного груза внутри дока при частичном заполнении камеры водой.
МГТУ им. Н.Э.Баумана
AlexInfinity


















