Для студентов по предмету Механика жидкости и газа (МЖГ или Гидравлика)Насос гидропривода стола шлифовального станкаНасос гидропривода стола шлифовального станка
4,90549248
2021-03-07СтудИзба

Курсовая работа: Насос гидропривода стола шлифовального станка

Описание

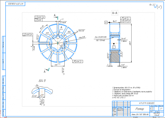
Пластинчатые насосы и гидромоторы так же, как и шестеренные, просты по конструкции, компактны, надежны в эксплуатации и сравнительно долговечны. В таких машинах рабочие камеры образованы поверхностями статора, ротора, торцевых распределительных дисков и двумя соседними вытеснителями-платинами. Эти пластины также называют лопастями, лопатками, шиберами.

За основу конструкции пластинчатого насоса мной взят насос Г12-2.


Характеристики курсовой работы

Список файлов

Насос гидропривода стола шлифовального станка
5,11ротор.cdw
5.11Вал.cdw
5.11Плавающий диск.cdw
5.11Профиль направляющей статора.cdw
5.11Сборка.a3d
5.11Спецификация.spw
5.11Статор.cdw
5.11общий вид.cdw
UG.doc
ug.pdf
РПЗ.doc
титултник нирса.docx
Картинка-подпись
Друзья, спасибо за доверие! Если вам понравилась работа – поставьте 5⭐ и напишите отзыв. Это поможет другим студентам, а мне даст силы делать ещё больше качественных материалов для вас 🔥

Комментарии

Нет комментариев
Стань первым, кто что-нибудь напишет!
Поделитесь ссылкой:
Цена: 590 руб.
Расширенная гарантия +3 недели гарантии, +10% цены
Рейтинг автора
4,9 из 5
Поделитесь ссылкой:
Сопутствующие материалы
Задача по гидравлике/МЖГ
FREE
И.И. Куколевский, Л.Г. Подвидз - Сборник задач по машиностроительной гидравлике
Вода вытекает из закрытого сосуда с избыточным давлением Ризб под напором h по горизонтальной трубе переменного сечения d1, d2, d3, оканчивающейся вентилем. Определить расход воды Q, построить линии пьезометрического, скоростного и полного напоров. П
Определить на какую высоту hвак поднимется вода в трубке, один конец которой присоединен к суженной части трубы, а другой коней опущен в воду (рис. 27). Расход воды в трубе Q = 0,025 м3/с, избыточное давление р1 = 49·103 Па, диаметры d1 = 100 мм и d2
Из открытого резервуара, в котором поддерживается постоянный уровень, по стальному трубопроводу (эквивалентная шероховатость Δ = 0,1 мм), состоящему из труб различного диаметров d1 = 32 мм, d2 = 50 мм, d3 = 32 мм и различной длинны L1 = 5 м, L2 = 8 м
По короткому трубопроводу, участки которого имеют диаметры d1 и d2, вода перетекает из закрытого бака с избыточным давлением воздуха рм в открытый бак при постоянной разности уровней Н (рис. 10). Ось трубопровода заглублена под уровень в правом баке

Подобрали для Вас услуги

-30%
-30%
Вы можете использовать курсовую работу для примера, а также можете ссылаться на неё в своей работе. Авторство принадлежит автору работы, поэтому запрещено копировать текст из этой работы для любой публикации, в том числе в свою курсовую работу в учебном заведении, без правильно оформленной ссылки. Читайте как правильно публиковать ссылки в своей работе.
Свежие статьи
Популярно сейчас
А знаете ли Вы, что из года в год задания практически не меняются? Математика, преподаваемая в учебных заведениях, никак не менялась минимум 30 лет. Найдите нужный учебный материал на СтудИзбе!
Ответы на популярные вопросы
Да! Наши авторы собирают и выкладывают те работы, которые сдаются в Вашем учебном заведении ежегодно и уже проверены преподавателями.
Да! У нас любой человек может выложить любую учебную работу и зарабатывать на её продажах! Но каждый учебный материал публикуется только после тщательной проверки администрацией.
Вернём деньги! А если быть более точными, то автору даётся немного времени на исправление, а если не исправит или выйдет время, то вернём деньги в полном объёме!
Да! На равне с готовыми студенческими работами у нас продаются услуги. Цены на услуги видны сразу, то есть Вам нужно только указать параметры и сразу можно оплачивать.
Отзывы студентов
Ставлю 10/10
Все нравится, очень удобный сайт, помогает в учебе. Кроме этого, можно заработать самому, выставляя готовые учебные материалы на продажу здесь. Рейтинги и отзывы на преподавателей очень помогают сориентироваться в начале нового семестра. Спасибо за такую функцию. Ставлю максимальную оценку.
Лучшая платформа для успешной сдачи сессии
Познакомился со СтудИзбой благодаря своему другу, очень нравится интерфейс, количество доступных файлов, цена, в общем, все прекрасно. Даже сам продаю какие-то свои работы.
Студизба ван лав ❤
Очень офигенный сайт для студентов. Много полезных учебных материалов. Пользуюсь студизбой с октября 2021 года. Серьёзных нареканий нет. Хотелось бы, что бы ввели подписочную модель и сделали материалы дешевле 300 рублей в рамках подписки бесплатными.
Отличный сайт
Лично меня всё устраивает - и покупка, и продажа; и цены, и возможность предпросмотра куска файла, и обилие бесплатных файлов (в подборках по авторам, читай, ВУЗам и факультетам). Есть определённые баги, но всё решаемо, да и администраторы реагируют в течение суток.
Маленький отзыв о большом помощнике!
Студизба спасает в те моменты, когда сроки горят, а работ накопилось достаточно. Довольно удобный сайт с простой навигацией и огромным количеством материалов.
Студ. Изба как крупнейший сборник работ для студентов
Тут дофига бывает всего полезного. Печально, что бывают предметы по которым даже одного бесплатного решения нет, но это скорее вопрос к студентам. В остальном всё здорово.
Спасательный островок
Если уже не успеваешь разобраться или застрял на каком-то задание поможет тебе быстро и недорого решить твою проблему.
Всё и так отлично
Всё очень удобно. Особенно круто, что есть система бонусов и можно выводить остатки денег. Очень много качественных бесплатных файлов.
Отзыв о системе "Студизба"
Отличная платформа для распространения работ, востребованных студентами. Хорошо налаженная и качественная работа сайта, огромная база заданий и аудитория.
Отличный помощник
Отличный сайт с кучей полезных файлов, позволяющий найти много методичек / учебников / отзывов о вузах и преподователях.
Отлично помогает студентам в любой момент для решения трудных и незамедлительных задач
Хотелось бы больше конкретной информации о преподавателях. А так в принципе хороший сайт, всегда им пользуюсь и ни разу не было желания прекратить. Хороший сайт для помощи студентам, удобный и приятный интерфейс. Из недостатков можно выделить только отсутствия небольшого количества файлов.
Спасибо за шикарный сайт
Великолепный сайт на котором студент за не большие деньги может найти помощь с дз, проектами курсовыми, лабораторными, а также узнать отзывы на преподавателей и бесплатно скачать пособия.
Популярные преподаватели
Добавляйте материалы
и зарабатывайте!
Продажи идут автоматически
6859
Авторов
на СтудИзбе
272
Средний доход
с одного платного файла
Обучение Подробнее