Для студентов по предмету Механика грунтовНапряжения в грунтах от действия внешних силНапряжения в грунтах от действия внешних сил
5,00517998
2022-08-272022-08-27СтудИзба
Задача: Напряжения в грунтах от действия внешних сил
Описание
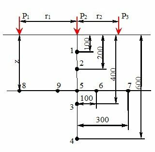
К горизонтальной поверхности массива грунта приложено несколько
сосредоточенных сил:
Р1 = 1300 кН, Р2 = 500 кН, Р3 = 1500 кН
На расстоянии от рассматриваемой точки: r1 = 300 см, r2 = 200 см;
Глубина рассматриваемой точки от плоскости приложения сил: z = 300 см
Рис. 2-1. Расчетная схема
Характеристики решённой задачи
Предмет
Программы
Просмотров
5
Качество
Идеальное компьютерное
Размер
91,5 Kb
Список файлов
Задача 2003.doc
