Для студентов по предмету МатериаловедениеПри испытании магнитного сердечника на частотеПри испытании магнитного сердечника на частоте
5,0053214
2025-06-192025-06-19СтудИзба
Задача: При испытании магнитного сердечника на частоте
Описание
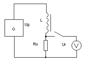
При испытании магнитного сердечника на частоте f=1кГц с помощью установки, схема которой представлена на рис.1, были получены значения Ug=300 мВ и Ur=30 мВ. Вычислить магнитную проницаемость, индукцию и напряженность магнитного поля в кольцевом сердечнике размерами Rxrxh=30x20x10 мм, если число витков измерительной обмотки n=30, а сопротивление резистора, ограничивающего ток в измерительном контуре, R0=10 Oм.
![]()

Характеристики решённой задачи
Предмет
Просмотров
2
Качество
Идеальное компьютерное
Размер
182,5 Kb
Список файлов
prim_resheniya_z4-1 — копия.doc

Если нужен другой вариант работы или отдельная задача из любой работы, пишите в комментарии