Для студентов МГТУ им. Н.Э.Баумана по предмету Компьютерная графикаAutodesk Inventor. Лабораторные работы. Детали. (Базовый курс)Autodesk Inventor. Лабораторные работы. Детали. (Базовый курс)
5,0053
2021-05-282021-05-28СтудИзба
Лабораторная работа: Autodesk Inventor. Лабораторные работы. Детали. (Базовый курс) вариант 3
Описание
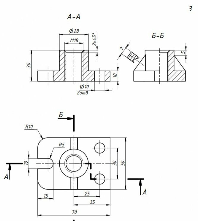
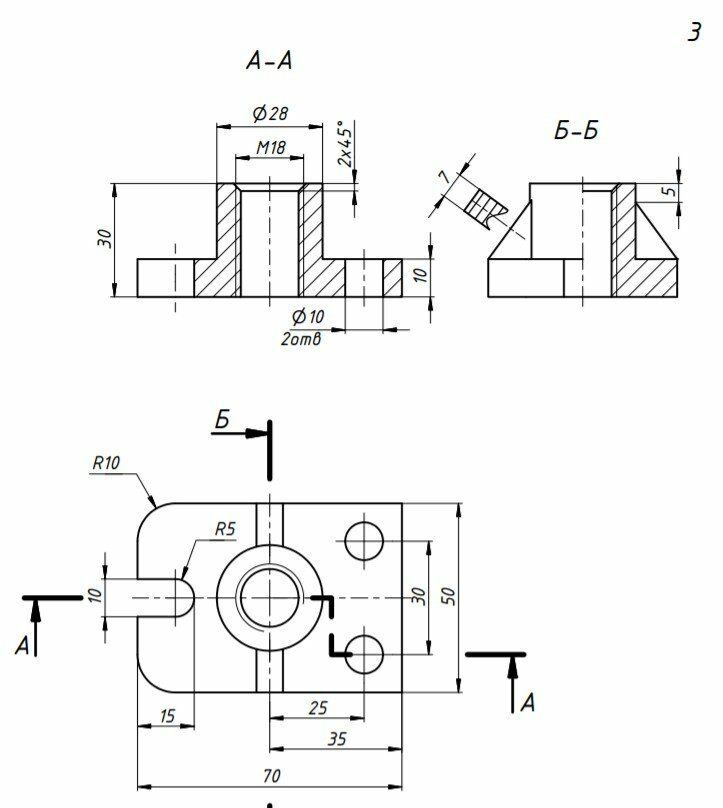
В архиве комплект ЛР для 3 варианта для 5 фигур (призма,пирамида,шар,основание,вал). Для каждой фигуры идет чертеж .dwg и модель .ipt. Сделано в инвенторе 20 года. Условие фигур ниже
![]()

Характеристики лабораторной работы
Предмет
Учебное заведение
Вариант
Просмотров
57
Размер
2,36 Mb
Список файлов
Модели
Вал.ipt
Основание.ipt
Пирамида.ipt
Призма.ipt
Шар.ipt
Файлы чертежей
Вал.dwg
Основание.dwg
Пирамида.dwg
Призма.dwg
Шар.dwg
Комментарии
Нет комментариев
Стань первым, кто что-нибудь напишет!
МГТУ им. Н.Э.Баумана


















