Для студентов МГТУ им. Н.Э.Баумана по предмету Компьютерная графикаAutodesk Inventor. Лабораторные работы. Детали. (Базовый курс)Autodesk Inventor. Лабораторные работы. Детали. (Базовый курс)
5,0051
2021-02-192024-09-03СтудИзба
Лабораторная работа: Autodesk Inventor. Лабораторные работы. Детали. (Базовый курс) вариант 14
Описание
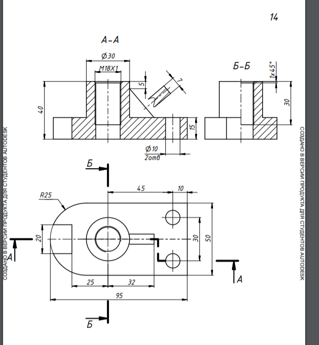
Чертежи и 3D-модели
![]()





Характеристики лабораторной работы
Предмет
Учебное заведение
Вариант
Просмотров
62
Качество
Идеальное компьютерное
Размер
10,02 Mb
Список файлов
Вариант 14 - Лабораторные работы
Вал
OldVersionsстарые
Val_ploskiy.0016.idw
Вал объем.0012.ipt
Вал плоский.0010.idw
Вал объемный.ipt
аVal_ploskiy.idw
Основание
OldVersions
Osnovanie_ploskoe.0011.idw
Основание объем.0005.ipt
Основание плоское.0009.idw
Osnovanie_ploskoe.idw
Основание объем.ipt
Пирамида
OldVersions
Пирамида объем.0004.ipt
Пирамида плоская.0006.idw
Пирамида объем.ipt
Пирамида плоская.idw
Призма
OldVersions
Призма плоская.0006.idw
Призма объем.ipt
Призма плоская.idw
Шар
OldVersions
Шар плоский.0008.idw
Шар.0004.ipt
Шар плоский.idw

Вам все понравилось? Получите кэшбэк - 40 рублей на Ваш счёт при покупке. Поставьте оценку и напишите положительный комментарий к купленному файлу. После Вы получите деньги на ваш счет.