Для студентов МГТУ им. Н.Э.Баумана по предмету Компьютерная графикаAutodesk Inventor. Лабораторные работы. Детали. (Базовый курс)Autodesk Inventor. Лабораторные работы. Детали. (Базовый курс)
4,93598
2021-01-172021-01-17СтудИзба
Лабораторная работа: Autodesk Inventor. Лабораторные работы. Детали. (Базовый курс) вариант 20
Описание
Характеристики лабораторной работы
Предмет
Учебное заведение
Вариант
Просмотров
29
Качество
Идеальное компьютерное
Размер
2,29 Mb
Список файлов
3D Модели
1_Призма.ipt
2_Пирамида.ipt
3_Шар.ipt
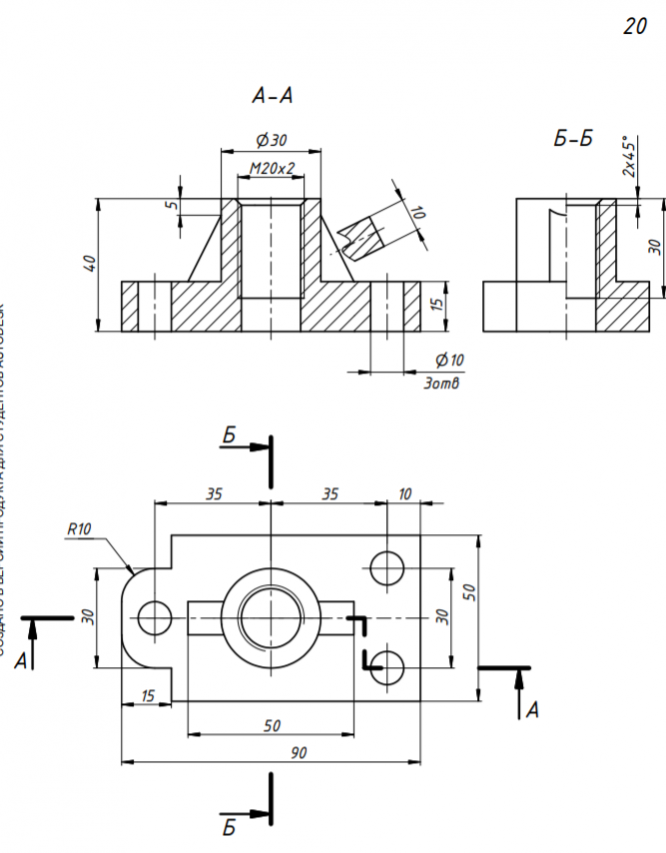
4_Основание.ipt
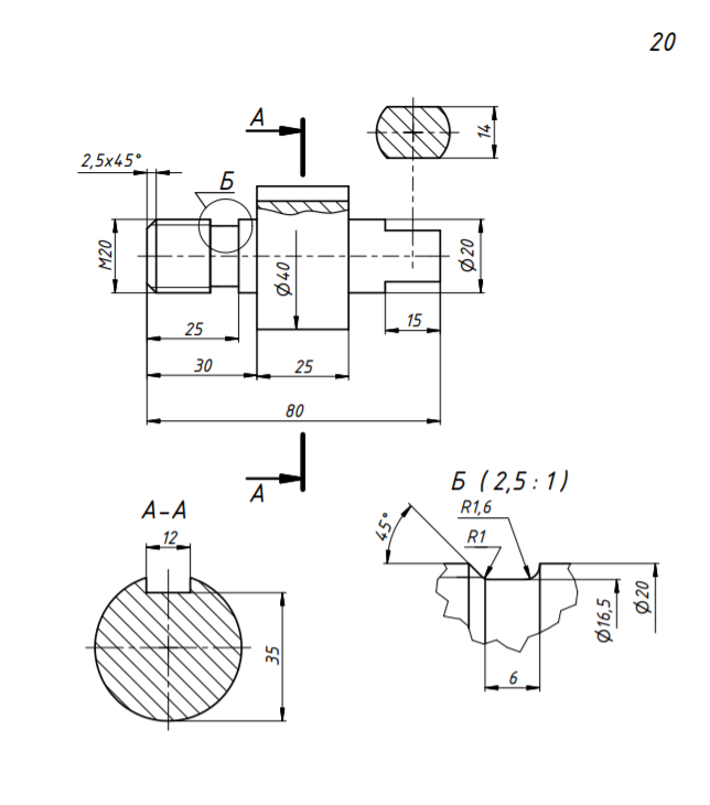
5_Вал.ipt
Чертежи IDW
1_Призма.idw
2_Пирамида.idw
3_Шар.idw
4_Основание.idw
5_Вал.idw

МГТУ им. Н.Э.Баумана
id626730995



















