Для студентов МГТУ им. Н.Э.Баумана по предмету Компьютерная графикаAutodesk Inventor. Лабораторные работы. Детали. (Базовый курс)Autodesk Inventor. Лабораторные работы. Детали. (Базовый курс)
5,0053
2021-01-172021-01-17СтудИзба
Лабораторная работа: Autodesk Inventor. Лабораторные работы. Детали. (Базовый курс) вариант 19
Описание
Характеристики лабораторной работы
Предмет
Учебное заведение
Вариант
Просмотров
51
Размер
2,28 Mb
Список файлов
3D Модели
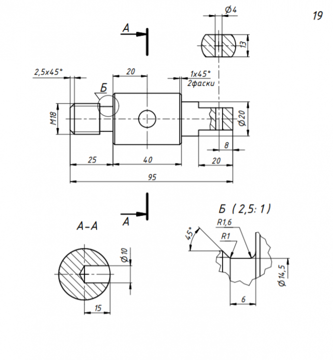
Вал.ipt
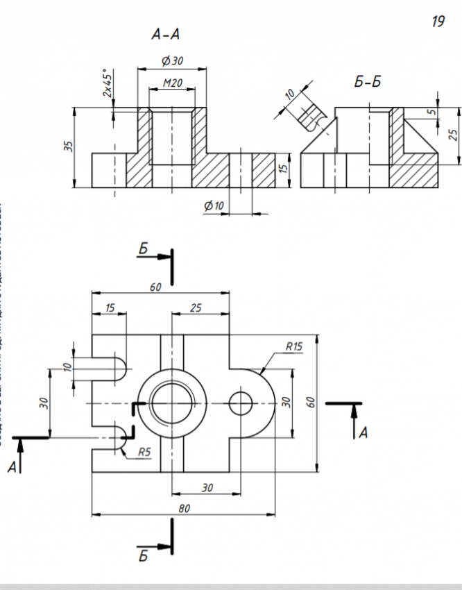
Основание.ipt
Пирамида.ipt
Призма.ipt
Шар.ipt
Чертежи
Вал.idw
Основание.idw
Пирамида.idw
Призма.idw
Шар.idw
МГТУ им. Н.Э.Баумана
id626730995


















