Для студентов МГТУ им. Н.Э.Баумана по предмету Компьютерная графикаAutodesk Inventor. Лабораторные работы. Детали. (Базовый курс)Autodesk Inventor. Лабораторные работы. Детали. (Базовый курс)
5,00511
2019-09-012019-09-01СтудИзба
Лабораторная работа: Autodesk Inventor. Лабораторные работы. Детали. (Базовый курс) вариант 23
Описание
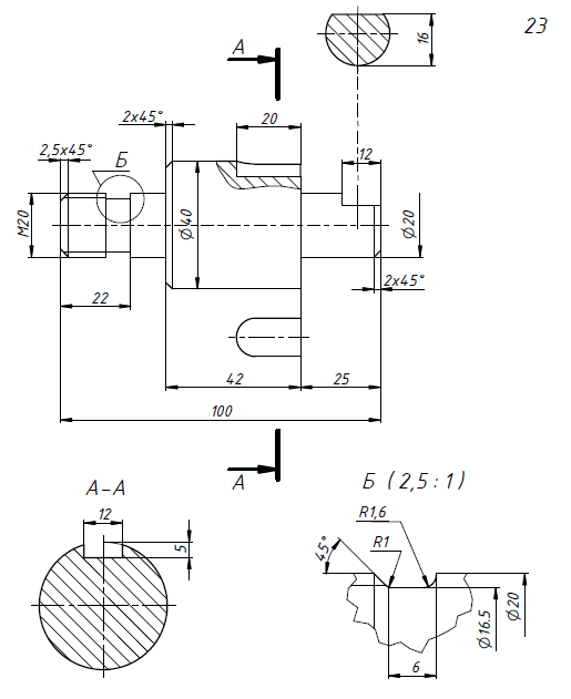
- Вал

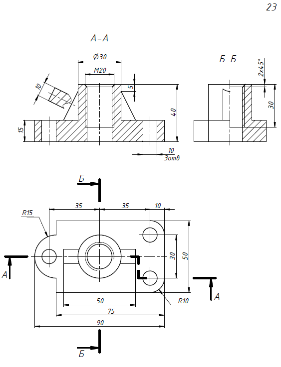
- Основание

- Пирамида
- Призма

- Шар
Характеристики лабораторной работы
Предмет
Учебное заведение
Вариант
Просмотров
357
Размер
3,86 Mb
Список файлов
вариант23
Detal1.dwg
Detal1.ipt
Detal2.dwg
Detal2.ipt
Detal3.dwg
Detal3.ipt
Detal4.dwg
Detal4.ipt
Detal5.dwg
Detal5.ipt
Osnovanie_draw.dwg
Prizm.ipt
detail-1.ipt
osnovanie (1).ipt
osnovanie.ipt
piramida.ipt
piramida_draw.idw
piramiwa-with-otv.ipt
val.ipt

Вам все понравилось? Получите кэшбэк - 40 рублей на Ваш счёт при покупке. Поставьте оценку и напишите положительный комментарий к купленному файлу. После Вы получите деньги на ваш счет.