Для студентов МГТУ им. Н.Э.Баумана по предмету ИсторияФланец (образец детали на зачете)Фланец (образец детали на зачете)
2024-09-082024-09-08СтудИзба
Другое 3: Фланец (образец детали на зачете)
Описание
Возможный вариант детали на зачете по инженерной графике.
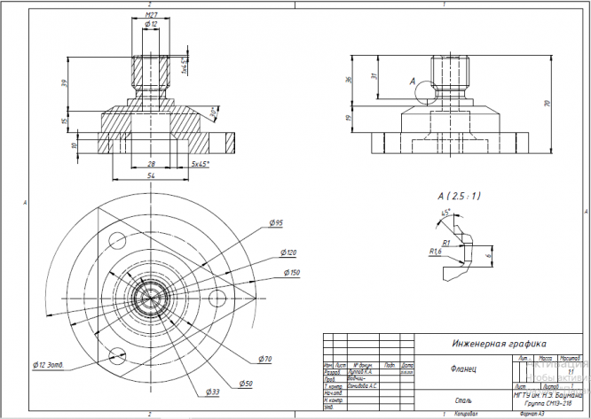
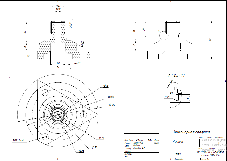
Деталь с резьбовой частью (метрическая резьба) и симметричным фланцем сложной формы.
![]()
Деталь с резьбовой частью (метрическая резьба) и симметричным фланцем сложной формы.

Файлы условия, демо
Характеристики учебной работы
Тип
Предмет
Учебное заведение
Семестр
Номер задания
Программы
Просмотров
65
Качество
Идеальное компьютерное
Размер
34,96 Kb
Преподаватели
Список файлов
OpelBlitz