Для студентов МГТУ им. Н.Э.Баумана по предмету Инженерная графикаЗадача 2Задача 2
5,0051
2013-08-162024-12-05СтудИзба
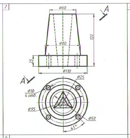
Задача 2 вариант 5
-60%
Описание

Характеристики решённой задачи
Предмет
Учебное заведение
Семестр
Номер задания
Вариант
Просмотров
1309
Качество
Фото рукописных листов
Размер
141,74 Kb
Список файлов
Вариант 5 - Задача 2.jpg

Вам все понравилось? Получите кэшбэк - 40 рублей на Ваш счёт при покупке. Поставьте оценку и напишите положительный комментарий к купленному файлу. После Вы получите деньги на ваш счет.