Задача 45: Корпус вариант 16
Описание
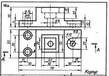
Корпус. Вариант 16а ЧЕРТЕЖ
Упражнение 45
Сложные разрезы.
Перечертить два вида деталей. Выполнить указанный разрез. Проставить размеры.
Чертеж выполнен на формате А4 + pdf (все на скриншотах показано и присутствует в архиве) выполнены в КОМПАС 3D.
Также открывать и просматривать, печатать чертежи и 3D-модели, выполненные в КОМПАСЕ можно просмоторщиком КОМПАС-3D Viewer.
Упражнение 45 Сложные разрезы.
Перечертить два вида деталей. Выполнить указанный разрез. Проставить размеры.
Чертеж выполнен на формате А4 + pdf (все на скриншотах показано и присутствует в архиве) выполнены в КОМПАС 3D. Также открывать и просматривать, печатать чертежи и 3D-модели, выполненные в КОМПАСЕ можно просмоторщиком КОМПАС-3D Viewer.
Характеристики решённой задачи
Предмет
Семестр
Номер задания
Вариант
Программы
Просмотров
1
Качество
Идеальное компьютерное
Размер
100,15 Kb
Список файлов
Вариант 16а
Корпус _ 16а.cdw
Корпус _ 16а.pdf
Корпус.m3d
Комментарии
Нет комментариев
Стань первым, кто что-нибудь напишет!
coolns























