Задача 45: Колпак вариант 13
Описание
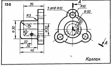
Колпак. Вариант 13б ЧЕРТЕЖ
Упражнение 45
Сложные разрезы.
Перечертить два вида деталей. Выполнить указанный разрез. Проставить размеры.
Чертеж выполнен на формате А4 + pdf (все на скриншотах показано и присутствует в архиве) выполнены в КОМПАС 3D.
Также открывать и просматривать, печатать чертежи и 3D-модели, выполненные в КОМПАСЕ можно просмоторщиком КОМПАС-3D Viewer.
Упражнение 45 Сложные разрезы.
Перечертить два вида деталей. Выполнить указанный разрез. Проставить размеры.
Чертеж выполнен на формате А4 + pdf (все на скриншотах показано и присутствует в архиве) выполнены в КОМПАС 3D. Также открывать и просматривать, печатать чертежи и 3D-модели, выполненные в КОМПАСЕ можно просмоторщиком КОМПАС-3D Viewer.
Характеристики решённой задачи
Предмет
Семестр
Номер задания
Вариант
Программы
Просмотров
1
Качество
Идеальное компьютерное
Размер
138,99 Kb
Список файлов
Вариант 13б
Колпак _ 13б.cdw
Колпак _ 13б.pdf
Колпак.m3d
Комментарии
Нет комментариев
Стань первым, кто что-нибудь напишет!
coolns






















