Задача 43: Колпак вариант 16
Описание
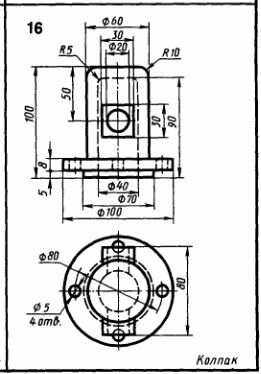
Колпак Вариант 16 ЧЕРТЕЖ
Упражнение 43
По двум видам построить третий вид. Выполнить необходимые разрезы. Поставить размеры.
Чертеж выполнен на формате А3 + 3d модель + pdf (все на скриншотах показано и присутствует в архиве) выполнены в КОМПАС 3D.
Также открывать и просматривать, печатать чертежи и 3D-модели, выполненные в КОМПАСЕ можно просмоторщиком КОМПАС-3D Viewer.
Упражнение 43 По двум видам построить третий вид. Выполнить необходимые разрезы. Поставить размеры.
Чертеж выполнен на формате А3 + 3d модель + pdf (все на скриншотах показано и присутствует в архиве) выполнены в КОМПАС 3D. Также открывать и просматривать, печатать чертежи и 3D-модели, выполненные в КОМПАСЕ можно просмоторщиком КОМПАС-3D Viewer.
Характеристики решённой задачи
Предмет
Семестр
Номер задания
Вариант
Программы
Теги
Просмотров
1
Качество
Идеальное компьютерное
Размер
122,03 Kb
Список файлов
Вариант 16
Колпак _ Упражнение 43 вариант 16.cdw
Колпак _ Упражнение 43 вариант 16.pdf
Колпак.m3d
Комментарии
Нет комментариев
Стань первым, кто что-нибудь напишет!
coolns





















