Для студентов по предмету Инженерная графикаПодвескаПодвеска
5,00513
2026-02-172026-02-17СтудИзба
Задача 2.2: Подвеска вариант 12
Новинка
Описание
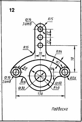
Сопряжения. Вариант 12. Подвеска
Графическая работа 2 часть 2
Вычертить контуры деталей, применяя правила построения сопряжений.
Чертеж выполнен на формате А3 + pdf (все на скриншотах показано и присутствует в архиве) выполнены в КОМПАС 3D.
Также открывать и просматривать, печатать чертежи и 3D-модели, выполненные в КОМПАСЕ можно просмоторщиком КОМПАС-3D Viewer.
Графическая работа 2 часть 2
Вычертить контуры деталей, применяя правила построения сопряжений.
Чертеж выполнен на формате А3 + pdf (все на скриншотах показано и присутствует в архиве) выполнены в КОМПАС 3D.
Также открывать и просматривать, печатать чертежи и 3D-модели, выполненные в КОМПАСЕ можно просмоторщиком КОМПАС-3D Viewer.
Характеристики решённой задачи
Предмет
Семестр
Номер задания
Вариант
Программы
Теги
Просмотров
0
Качество
Идеальное компьютерное
Размер
71,61 Kb
Список файлов
Сопряжения. Вариант 12
Сопряжения. Вариант 12. Подвеска.cdw
Сопряжения. Вариант 12. Подвеска.pdf
Комментарии
Нет комментариев
Стань первым, кто что-нибудь напишет!
coolns




















