Задача 42: Корпус вариант 2
Описание
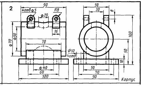
Корпус Вариант 2 ЧЕРТЕЖ
Упражнение 42
По двум видам построить третий вид. Выполнить необходимые разрезы. Поставить размеры. Основание модели имеет прямоугольную форму без скругления углов.
Чертеж выполнен на формате А3 + 3d модель + pdf (все на скриншотах показано и присутствует в архиве) выполнены в КОМПАС 3D.
Также открывать и просматривать, печатать чертежи и 3D-модели, выполненные в КОМПАСЕ можно просмоторщиком КОМПАС-3D Viewer.
Упражнение 42 По двум видам построить третий вид. Выполнить необходимые разрезы. Поставить размеры. Основание модели имеет прямоугольную форму без скругления углов.
Чертеж выполнен на формате А3 + 3d модель + pdf (все на скриншотах показано и присутствует в архиве) выполнены в КОМПАС 3D. Также открывать и просматривать, печатать чертежи и 3D-модели, выполненные в КОМПАСЕ можно просмоторщиком КОМПАС-3D Viewer.
Характеристики решённой задачи
Предмет
Семестр
Номер задания
Вариант
Программы
Теги
Просмотров
1
Качество
Идеальное компьютерное
Размер
159,41 Kb
Список файлов
Вариант 2
Корпус _ Упражнение 42 вариант 2.cdw
Корпус _ Упражнение 42 вариант 2.pdf
Корпус.m3d
Комментарии
Нет комментариев
Стань первым, кто что-нибудь напишет!
coolns



















