Задача 41: Корпус вариант 5
Описание
Корпус вариант 5 ЧЕРТЕЖ
Упражнение 41
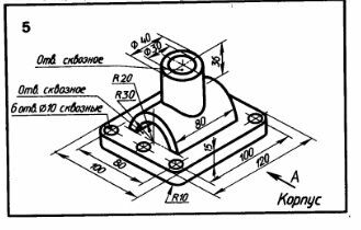
Начертить три вида детали. Выполнить разрезы. Проставить размеры. Главный вид взять по стрелке А.
Чертеж выполнен на формате А3 + 3d модель + pdf (все на скриншотах показано и присутствует в архиве) выполнены в КОМПАС 3D.
Также открывать и просматривать, печатать чертежи и 3D-модели, выполненные в КОМПАСЕ можно просмоторщиком КОМПАС-3D Viewer.
Упражнение 41 Начертить три вида детали. Выполнить разрезы. Проставить размеры. Главный вид взять по стрелке А.
Чертеж выполнен на формате А3 + 3d модель + pdf (все на скриншотах показано и присутствует в архиве) выполнены в КОМПАС 3D. Также открывать и просматривать, печатать чертежи и 3D-модели, выполненные в КОМПАСЕ можно просмоторщиком КОМПАС-3D Viewer.
Характеристики решённой задачи
Предмет
Семестр
Номер задания
Вариант
Программы
Теги
Просмотров
1
Качество
Идеальное компьютерное
Размер
122,49 Kb
Список файлов
Вариант 5
Корпус _ Упражнение 41 вариант 5.cdw
Корпус _ Упражнение 41 вариант 5.pdf
Корпус.m3d
Комментарии
Нет комментариев
Стань первым, кто что-нибудь напишет!
coolns






















