Главная » Учебные материалы » Инженерная графика » Решения задач » 1 семестр » Номер 22 » Приставка индикаторная к прессу бринелля
Для студентов по предмету Инженерная графикаПриставка индикаторная к прессу бринелляПриставка индикаторная к прессу бринелля
5,0059
2026-02-01СтудИзба

Задача 22: Приставка индикаторная к прессу бринелля

Новинка

Описание

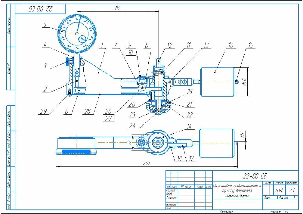
Приставка индикаторная к прессу бринелля 22-00 ЧЕРТЕЖ
Устройство и работа прибора. Приставка предназначена для испытания твердости металлов. Степень твердости характеризуется глубиной отпечатка шарика определенного диаметра на поверхности испытываемого образца под действием заданной нагрузки в течение определенного времени.Рассмотрим порядок сборки прибора и работу его.В отверстие ф12 корпуса 1 сверху запрессовывают втулку 8. Плоскость среза в отверстии ф8 должна быть параллельна продольной оси корпуса. В отверстие втулки снизу пропускают вилку 7 и затягивают гайкой 10 с шайбой 9.Далее собирают вместе детали 11, 12, 13, 19 и 24.В отверстие ф4 штока 12 запрессовывают призму 19 так, чтобы ребро ее было направлено в сторону сферической выемки штока. В эту выемкузавальцовывают шарик 24. Затем шток вставляют шариком вниз в отверстие цилиндра 13. При этом отверстие штока 0 3 должно быть расположено против сквозной прорези цилиндра 13. В это отверстие забивают штифт 11, который ограничивает движение штока в цилиндре в пределах прорези. Собранные детали вставляют в корпус 1 снизу так, чтобы цилиндр 13 вошел в расточку ф22 до упора в заплечик, а прорези его расположились вдоль корпуса, причем нижняя несквозная должна быть справа. Шток 12 при этом устанавливают так, чтобы ребро призмы 19 расположилось на уровне оси отверстия O3 вилки 7.Цилиндр 13 закрепляют в корпусе винтом 18 и гайкой 14. Затем рычаг 6 коротким плечом вводят снизу наклонно в прорезь цилиндра под призму 19, а затем устанавливают в корпусе горизонтально. Через ушки вилки 7 и отверстие рычага 6 пропускают палец 26, удерживаемый от выпадения шплинтом 27.К корпусу 1 снизу крепят тремя винтами 29 крышку 28. Снизу на цилиндр 13 навинчивают гайку 20. Ее положение по высоте на цилиндре 13 обусловлено положением шаровой опоры 23, о чем сказано ниже.На конец штока 12 с шариком надевают пружину 25, а затем на цилиндр навинчивают до упора в гайку 20 обойму 21. В обойму помещают шаровую опору 23 1 большим диаметром конического отверстия вверх. Опора 23 удерживается от выпадения крышкой обоймы 22, навинчиваемой на обойму 21. Обойму 21 фиксируют гайкой 20 в таком положении, при котором торцовая плоскость шаровой опоры 23 оказывается ниже плоскости, касательной к шарику 24, а к моменту начала испытания (вдавливания шарика в образец) —касательной к шарику.На чертеже изобразите момент начала испытания. При этом определится положение обоймы 21 и гайки 20 по высоте. Между гайкой 20 и крышкой 28 будет зазор —1,5 мм.Слева к корпусу / винтами 17 крепят дополнительное плечо 15, на которое навинчивают противовес 16. Расточка O8 противовеса обращена к плечу 15.В отверстие ф10 корпуса 1 вставляют втулку 4. Через нее пропускают индикатор 5 с предварительно ввернутым в его гнездо удлинителем 2. Индикатор фиксируют в корпусе винтом 3 в положении, когда удлинитель 2 касается длинного плеча рычага 6.При измерении твердости приставка перемещается вместе со штоком пресса (шток на чертеже не показан) вертикально по направлению к поверхности исследуемого образца. При соприкосновении с образцом шаровой опоры 23, выступающей из крышки обоймы 22, движение приставки прекращается. Наступает момент вдавливания шарика в образец под действием нагрузки, передаваемой через шток 12. Пружина 25 сжимается, штифт 11 скользит в пазу цилиндра 73, призма 19 нажимает на плечо рычага 6. Длинное плечо рычага толкает удлинитель 2 индикатора 5. Стрелка индикатора показывает глубину отпечатка шарика 24, в соответствии с которой по таблице рассчитывают твердость.
Негоризонтальность плоскости испытуемого образца компенсируется поворотом шаровой опоры 23 в пределах, предусмотренных конусностью ее отверстия.
Приставка индикаторная к прессу бринелля 22-00 сб
Приставка индикаторная к прессу бринелля 22-00 спецификация
Приставка индикаторная к прессу бринелля 22-00 3д модель
Приставка индикаторная к прессу бринелля 22-00 чертежи
Корпус 22-1
Удлинитель 22-2
Винт 22-3
Втулка 22-4
Индикатор 22-5
Рычаг 22-6
Вилка 22-7
Втулка 22-8
Шток 22-12
Цилиндр 22-13
Гайка 22-14
Плечо дополнительное 22-15
Противовес 22-16
Призма 22-19
Гайка 22-20
Обойма 22-21
Крышка обоймы 22-22
Опора шаровая 22-23
Шарик 22-24
Пружина 22-25
Палец 22-26
Крышка 22-28
Все чертежи и 3d модели (все на скриншотах показано и присутствует в архиве) выполнены в КОМПАС 3D.Также открывать и просматривать, печатать чертежи и 3D-модели, выполненные в КОМПАСЕ можно просмоторщиком КОМПАС-3D Viewer.

Файлы условия, демо

Характеристики решённой задачи

Семестр
Номер задания
Программы
Просмотров
1
Качество
Идеальное компьютерное
Размер
5,32 Mb

Список файлов

22-00 Приставка индикаторная к прессу бринелля
22-5_Индикатор
22-5_Индикатор.a3d
Корпус индикатора.m3d
Направляющая втулка.m3d
Стекло.m3d
Стрелка малая.m3d
Стрелка.m3d
Цыферблат.m3d
22-00 СБ_Приставка индикаторная к прессу бринелля.a3d
22-00 СБ_Приставка индикаторная к прессу бринелля.cdw
22-00 СП_Приставка индикаторная к прессу бринелля.cdw
22-1 Корпус.cdw
22-1_Корпус.m3d
22-2 Удлинитель.cdw
22-2_Удлинитель.m3d
22-3 Винт.cdw
22-3_Винт.m3d
22-4 Втулка.cdw
22-4_Втулка.m3d
22-6 Рычаг.cdw
22-6_Рычаг.m3d
22-7 Вилка.cdw
22-7_Вилка.m3d
22-8 Втулка.cdw
22-8_Втулка.m3d
22-12 Шток.cdw
22-12_Шток.m3d
22-13 Цилиндр.cdw
22-13_Цилиндр.m3d
22-14 Гайка.cdw

Комментарии

Нет комментариев
Стань первым, кто что-нибудь напишет!
Поделитесь ссылкой:
Цена: 500 руб.
Расширенная гарантия +3 недели гарантии, +10% цены
Рейтинг автора
5 из 5
Поделитесь ссылкой:
Сопутствующие материалы

Подобрали для Вас услуги

-30%
Вы можете использовать решённую задачу для примера, а также можете ссылаться на неё в своей работе. Авторство принадлежит автору работы, поэтому запрещено копировать текст из этой работы для любой публикации, в том числе в свою задачу в учебном заведении, без правильно оформленной ссылки. Читайте как правильно публиковать ссылки в своей работе.
Свежие статьи
Популярно сейчас
А знаете ли Вы, что из года в год задания практически не меняются? Математика, преподаваемая в учебных заведениях, никак не менялась минимум 30 лет. Найдите нужный учебный материал на СтудИзбе!
Ответы на популярные вопросы
Да! Наши авторы собирают и выкладывают те работы, которые сдаются в Вашем учебном заведении ежегодно и уже проверены преподавателями.
Да! У нас любой человек может выложить любую учебную работу и зарабатывать на её продажах! Но каждый учебный материал публикуется только после тщательной проверки администрацией.
Вернём деньги! А если быть более точными, то автору даётся немного времени на исправление, а если не исправит или выйдет время, то вернём деньги в полном объёме!
Да! На равне с готовыми студенческими работами у нас продаются услуги. Цены на услуги видны сразу, то есть Вам нужно только указать параметры и сразу можно оплачивать.
Отзывы студентов
Ставлю 10/10
Все нравится, очень удобный сайт, помогает в учебе. Кроме этого, можно заработать самому, выставляя готовые учебные материалы на продажу здесь. Рейтинги и отзывы на преподавателей очень помогают сориентироваться в начале нового семестра. Спасибо за такую функцию. Ставлю максимальную оценку.
Лучшая платформа для успешной сдачи сессии
Познакомился со СтудИзбой благодаря своему другу, очень нравится интерфейс, количество доступных файлов, цена, в общем, все прекрасно. Даже сам продаю какие-то свои работы.
Студизба ван лав ❤
Очень офигенный сайт для студентов. Много полезных учебных материалов. Пользуюсь студизбой с октября 2021 года. Серьёзных нареканий нет. Хотелось бы, что бы ввели подписочную модель и сделали материалы дешевле 300 рублей в рамках подписки бесплатными.
Отличный сайт
Лично меня всё устраивает - и покупка, и продажа; и цены, и возможность предпросмотра куска файла, и обилие бесплатных файлов (в подборках по авторам, читай, ВУЗам и факультетам). Есть определённые баги, но всё решаемо, да и администраторы реагируют в течение суток.
Маленький отзыв о большом помощнике!
Студизба спасает в те моменты, когда сроки горят, а работ накопилось достаточно. Довольно удобный сайт с простой навигацией и огромным количеством материалов.
Студ. Изба как крупнейший сборник работ для студентов
Тут дофига бывает всего полезного. Печально, что бывают предметы по которым даже одного бесплатного решения нет, но это скорее вопрос к студентам. В остальном всё здорово.
Спасательный островок
Если уже не успеваешь разобраться или застрял на каком-то задание поможет тебе быстро и недорого решить твою проблему.
Всё и так отлично
Всё очень удобно. Особенно круто, что есть система бонусов и можно выводить остатки денег. Очень много качественных бесплатных файлов.
Отзыв о системе "Студизба"
Отличная платформа для распространения работ, востребованных студентами. Хорошо налаженная и качественная работа сайта, огромная база заданий и аудитория.
Отличный помощник
Отличный сайт с кучей полезных файлов, позволяющий найти много методичек / учебников / отзывов о вузах и преподователях.
Отлично помогает студентам в любой момент для решения трудных и незамедлительных задач
Хотелось бы больше конкретной информации о преподавателях. А так в принципе хороший сайт, всегда им пользуюсь и ни разу не было желания прекратить. Хороший сайт для помощи студентам, удобный и приятный интерфейс. Из недостатков можно выделить только отсутствия небольшого количества файлов.
Спасибо за шикарный сайт
Великолепный сайт на котором студент за не большие деньги может найти помощь с дз, проектами курсовыми, лабораторными, а также узнать отзывы на преподавателей и бесплатно скачать пособия.
Популярные преподаватели
Добавляйте материалы
и зарабатывайте!
Продажи идут автоматически
7011
Авторов
на СтудИзбе
261
Средний доход
с одного платного файла
Обучение Подробнее
{user_main_secret_data}