Задача 72: Кран пневматический
Описание
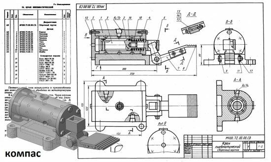
Кран пневматический МЧ00.72.00.00 ЧЕРТЕЖ
Пневматический кран используется в приспособлении для зажима детали при ее обработке на металлорежущем станке.В корпусе поз. 1 имеются три отверстия. Через верхнее отверстие поступает сжатый воздух, который под давлением (в зависимости от положения золотника поз. 3) поочередно, то через правое, то через левое отверстие корпуса попадает в полость пневматического цилиндра (на чертеже не показан), заставляя двигаться поршень. Педаль поз. 8 находится в верхнем положении при крайнем левом положении золотника, что обеспечивается действием пружины поз. 10 на торец золотника. Если нажать на педаль поз. 5, золотник займет крайнее правое положение, при этом пружина сожмется.
Кран пневматический МЧ00.72.00.00 сборочный чертеж
Кран пневматический МЧ00.72.00.00 спецификация
Кран пневматический МЧ00.72.00.00 3д модель
Кран пневматический МЧ00.72.00.00 чертежи
Корпус МЧ00.72.00.01
Плунжер МЧ00.72.00.02
Золотник МЧ00.72.00.03
Крышка МЧ00.72.00.04
Крышка МЧ00.72.00.05
Тяга МЧ00.72.00.06
Рычаг МЧ00.72.00.07
Педаль МЧ00.72.00.08
Ось МЧ00.72.00.09
Пружина МЧ00.72.00.10
Шайба МЧ00.72.00.11
Все чертежи и 3d модели (все на скриншотах показано и присутствует в архиве) выполнены в КОМПАС 3D.Также открывать и просматривать, печатать чертежи и 3D-модели, выполненные в КОМПАСЕ можно просмоторщиком КОМПАС-3D Viewer.
Пневматический кран используется в приспособлении для зажима детали при ее обработке на металлорежущем станке.В корпусе поз. 1 имеются три отверстия. Через верхнее отверстие поступает сжатый воздух, который под давлением (в зависимости от положения золотника поз. 3) поочередно, то через правое, то через левое отверстие корпуса попадает в полость пневматического цилиндра (на чертеже не показан), заставляя двигаться поршень. Педаль поз. 8 находится в верхнем положении при крайнем левом положении золотника, что обеспечивается действием пружины поз. 10 на торец золотника. Если нажать на педаль поз. 5, золотник займет крайнее правое положение, при этом пружина сожмется. Кран пневматический МЧ00.72.00.00 сборочный чертеж
Кран пневматический МЧ00.72.00.00 спецификация
Кран пневматический МЧ00.72.00.00 3д модель
Кран пневматический МЧ00.72.00.00 чертежи
Корпус МЧ00.72.00.01
Плунжер МЧ00.72.00.02
Золотник МЧ00.72.00.03
Крышка МЧ00.72.00.04
Крышка МЧ00.72.00.05
Тяга МЧ00.72.00.06
Рычаг МЧ00.72.00.07
Педаль МЧ00.72.00.08
Ось МЧ00.72.00.09
Пружина МЧ00.72.00.10
Шайба МЧ00.72.00.11
Все чертежи и 3d модели (все на скриншотах показано и присутствует в архиве) выполнены в КОМПАС 3D.Также открывать и просматривать, печатать чертежи и 3D-модели, выполненные в КОМПАСЕ можно просмоторщиком КОМПАС-3D Viewer.Характеристики решённой задачи
Предмет
Семестр
Номер задания
Программы
Просмотров
1
Качество
Идеальное компьютерное
Размер
1,06 Mb
Список файлов
МЧ00.72.00
МЧ00.72.00.00 Кран пневматический спец.cdw
МЧ00.72.00.00 Кран пневматический.cdw
МЧ00.72.00.00 Кран пневматический.a3d
МЧ00.72.00.01 Корпус аксонометрия.cdw
МЧ00.72.00.01_Корпус.cdw
МЧ00.72.00.01_Корпус.m3d
МЧ00.72.00.02_Плунжер.cdw
МЧ00.72.00.02_Плунжер.m3d
МЧ00.72.00.03_Золотник.cdw
МЧ00.72.00.03_Золотник.m3d
МЧ00.72.00.04_Крышка.cdw
МЧ00.72.00.04_Крышка.m3d
МЧ00.72.00.05_Крышка.cdw
МЧ00.72.00.05_Крышка.m3d
МЧ00.72.00.06_Тяга.cdw
МЧ00.72.00.06_Тяга.m3d
МЧ00.72.00.07_Рычаг.cdw
МЧ00.72.00.07_Рычаг.m3d
МЧ00.72.00.08 Педаль.cdw
МЧ00.72.00.08_Педаль.m3d
МЧ00.72.00.09 Ось.cdw
МЧ00.72.00.09_Ось.m3d
МЧ00.72.00.10 Пружина.cdw
МЧ00.72.00.10_Пружина.m3d
МЧ00.72.00.11 Шайба.cdw
Комментарии
Нет комментариев
Стань первым, кто что-нибудь напишет!
coolns






















