Для студентов МГТУ им. Н.Э.Баумана по предмету Инженерная графикаЗадача 3Задача 3
4,92523022
2022-11-132024-12-05СтудИзба
Задача 3 вариант 19
-60%
Описание
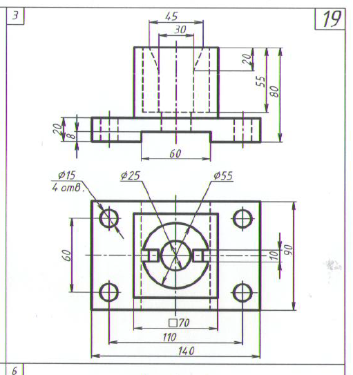
Чертеж 3 вида без размеров
Образец прикреплен в "Файлах условия, демо"
Файлы условия, демо
Характеристики решённой задачи
Предмет
Учебное заведение
Семестр
Номер задания
Вариант
Программы
Просмотров
4
Качество
Идеальное компьютерное
Размер
15,75 Kb
Список файлов
19-3.pdf

Вам все понравилось? Получите кэшбэк - 40 рублей на Ваш счёт при покупке. Поставьте оценку и напишите положительный комментарий к купленному файлу. После Вы получите деньги на ваш счет.