Для студентов МГТУ им. Н.Э.Баумана по предмету Инженерная графикаЗадача 2Задача 2
5,0051
2022-11-132024-12-05СтудИзба
Задача 2 вариант 13
-60%
Описание
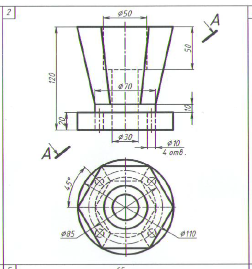
3D-модель и чертеж
Образец прикреплен в "Файлах условия, демо"
Файлы условия, демо
Характеристики решённой задачи
Предмет
Учебное заведение
Семестр
Номер задания
Вариант
Программы
Просмотров
6
Качество
Идеальное компьютерное
Размер
369,3 Kb
Список файлов
2 Деталь Чертеж.PDF
2 Деталь Чертеж.SLDDRW
2 Деталь.PDF
2 Деталь.SLDPRT

Вам все понравилось? Получите кэшбэк - 40 рублей на Ваш счёт при покупке. Поставьте оценку и напишите положительный комментарий к купленному файлу. После Вы получите деньги на ваш счет.