Для студентов МГТУ им. Н.Э.Баумана по предмету Инженерная графикаЗадача 2Задача 2
4,92523034
2022-11-102024-12-05СтудИзба
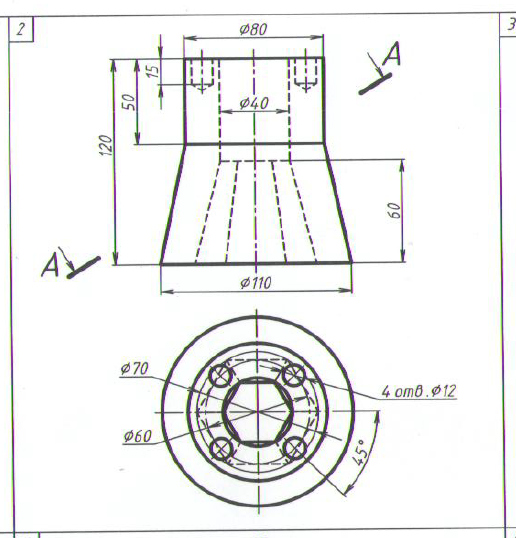
Задача 2 вариант 12
-60%
Описание

Характеристики решённой задачи
Предмет
Учебное заведение
Семестр
Номер задания
Вариант
Просмотров
4
Качество
Фото рукописных листов
Размер
2,52 Mb
Список файлов
Вариант 12 - Задача 2.JPG

Вам все понравилось? Получите кэшбэк - 40 рублей на Ваш счёт при покупке. Поставьте оценку и напишите положительный комментарий к купленному файлу. После Вы получите деньги на ваш счет.