Для студентов МГТУ им. Н.Э.Баумана по предмету Инженерная графикаЗадача 3Задача 3
4,92523053
2022-11-102024-12-05СтудИзба
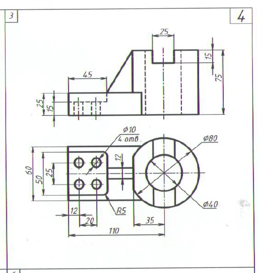
Задача 3 вариант 4
-60%
Описание
Характеристики решённой задачи
Предмет
Учебное заведение
Семестр
Номер задания
Вариант
Просмотров
10
Качество
Фото рукописных листов
Размер
276,2 Kb
Список файлов
Вариант 4 - Задача 3.JPG

Вам все понравилось? Получите кэшбэк - 40 рублей на Ваш счёт при покупке. Поставьте оценку и напишите положительный комментарий к купленному файлу. После Вы получите деньги на ваш счет.