Для студентов МГТУ им. Н.Э.Баумана по предмету Инженерная графикаЗадача 1Задача 1
4,92522693
2022-11-092024-12-05СтудИзба
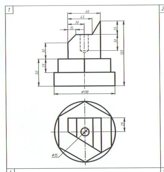
Задача 1 вариант 6
-60%
Описание

Характеристики решённой задачи
Предмет
Учебное заведение
Семестр
Номер задания
Вариант
Просмотров
64
Качество
Фото рукописных листов
Размер
9,86 Mb
Список файлов
1-1.JPG
1-2.JPG

Вам все понравилось? Получите кэшбэк - 40 рублей на Ваш счёт при покупке. Поставьте оценку и напишите положительный комментарий к купленному файлу. После Вы получите деньги на ваш счет.