Для студентов МГТУ им. Н.Э.Баумана по предмету Инженерная графикаЗадача 2Задача 2
5,0051
2022-08-082022-08-08СтудИзба
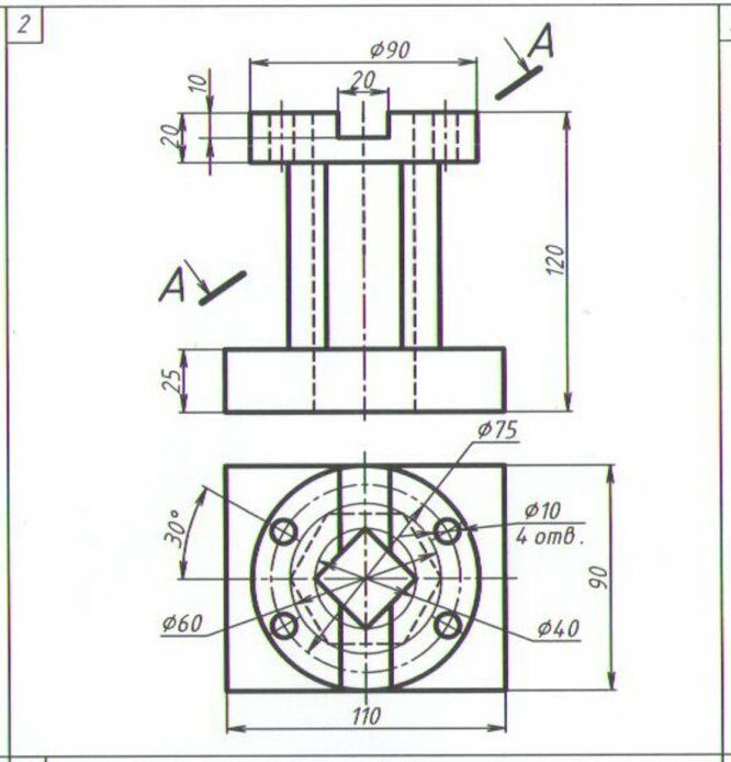
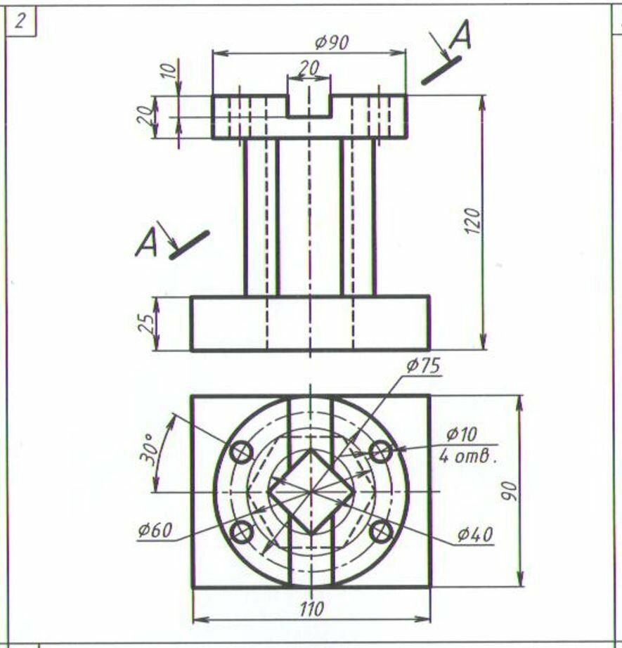
Задача 2 вариант 17
Описание
- 3D-модели детали выполнены в программе Inventor 2018 (.ipt)
- 3D-модели детали сохранены в 3D-PDF
- Чертежи детали в формате Inventor 2018 (.idw)
- Чертежи детали в формате Autocad 2007 (.dwg)
- Чертежи детали в формате PDF (Лист А3)

Файлы условия, демо
Характеристики решённой задачи
Предмет
Учебное заведение
Семестр
Номер задания
Вариант
Программы
Просмотров
14
Качество
Идеальное компьютерное
Размер
1,31 Mb
Список файлов
ЗАДАЧА 2_ ВАРИАНТ 17.dwg
ЗАДАЧА 2_ ВАРИАНТ 17.idw
ЗАДАЧА 2_ ВАРИАНТ 17.ipt
ЗАДАЧА 2_ ВАРИАНТ 17.pdf
ЗАДАЧА 2_ ВАРИАНТ 17_3D.pdf

Если работа Вам была полезна, Пожалуйста, потратьте несколько секунд, чтобы оставить нам 5 ЗВЁЗД и положительный отзывы. Мы Вам глубоко признателены!