Для студентов МГТУ им. Н.Э.Баумана по предмету Инженерная графикаСборка Клапан обратныйСборка Клапан обратный
2026-01-262026-01-26СтудИзба
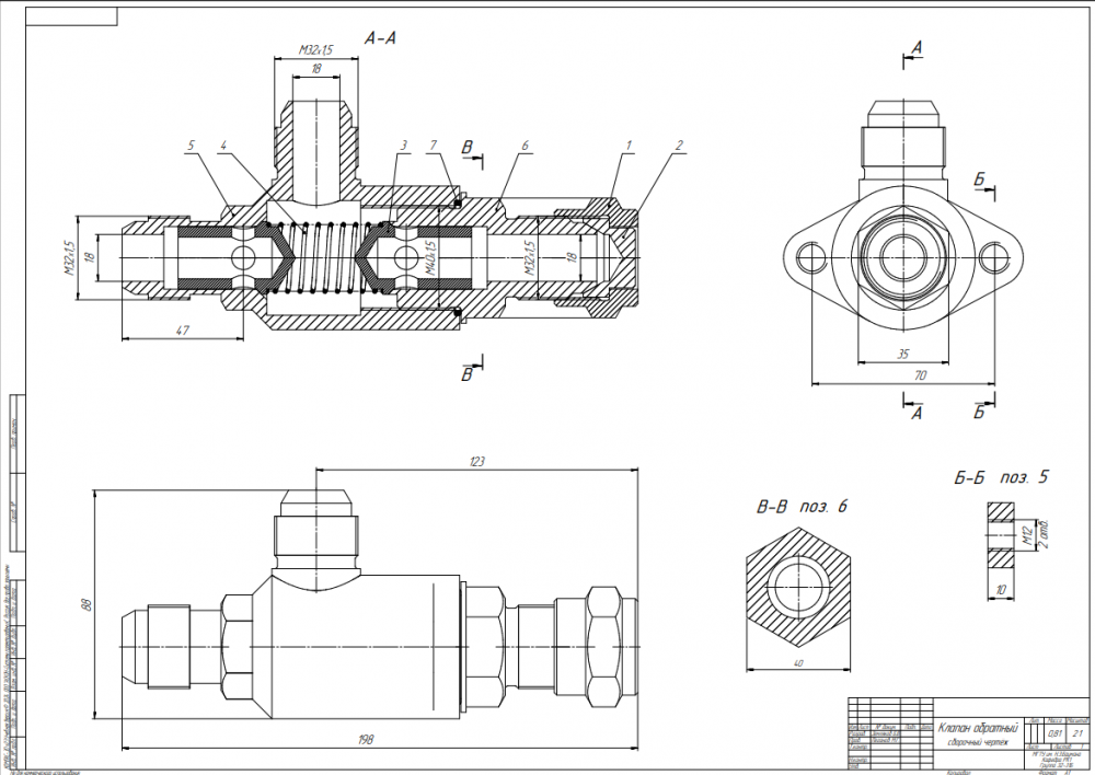
ДЗ 3: Сборка Клапан обратный вариант 9
Новинка
Описание
Сборка "Клапан обратный" с полным комплектом всех чертежей и деталей выполненных в КОМПАС-3Д v23, все эскизы определены с +. ![]()

Файлы условия, демо
Характеристики домашнего задания
Предмет
Учебное заведение
Номер задания
Вариант
Программы
Просмотров
0
Качество
Идеальное компьютерное
Размер
4,76 Mb
Преподаватели
Список файлов
Чертёж_Клапан_Обратный.pdf
Спецификация_Клапан_обратный.pdf
Гайка_поз1.m3d
Гайка_поз1.m3d.bak
Заглушка_поз2.m3d
Клапан_поз3.m3d
Кольцо уплотнительное.m3d
Кольцо уплотнительное.m3d.bak
Корпус_поз5.m3d
Корпус_поз5.m3d.bak
Пружина_поз4.m3d
Пружина_поз4.m3d.bak
Сборка_Клапан_Обратный.a3d
Сборка_Клапан_Обратный.a3d.bak
Седло_поз6.m3d
Спецификация_Клапан_обратный.spw
Спецификация_Клапан_обратный.spw.bak
Чертёж_Клапан_Об ратный.cdw
Чертёж_Клапан_Об ратный.cdw.bak
Комментарии
Нет комментариев
Стань первым, кто что-нибудь напишет!
МГТУ им. Н.Э.Баумана
me0wski


















