Для студентов МГТУ им. Н.Э.Баумана по предмету Инженерная графикаКлапан плунжерныйКлапан плунжерный
5,00548
2025-11-14СтудИзба

ДЗ В: Клапан плунжерный вариант 265

-67%

Описание

💥НУЖНА ГОТОВАЯ КОМПАСОВАЯ ВЕРСИЯ ДАННОЙ РАБОТЫ ❓, НАЖМИТЕ ПРЯМО СЮДА!👈

В архиве содержится все нужные файлы для Вас:

  1. Все детали 3D в Inventor (.ipt) - удобно дальше сделаете чертежи/эскизы (если требуются)

  2. Сборка (Клапан плунжерный + Рукоятка) в Inventor (.iam)

  3. Сборочные чертежи (Клапан плунжерный + Рукоятка) в КОМПАС (.cdw) и PDF (Листы А2 + А3)

  4. Спецификации включаются в Сборочном чертеже!


ДЕМО



Показать/скрыть дополнительное описание

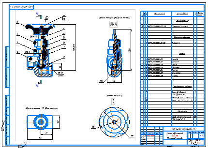
Клапан плунжерный В-265.

Файлы условия, демо

Характеристики домашнего задания

Учебное заведение
Семестр
Номер задания
Вариант
Программы
Просмотров
121
Качество
Идеальное компьютерное
Размер
2,75 Mb

Список файлов

0 - Вставка.ipt
1 - Фенопласт.ipt
2 - Корпус.ipt
3 - Крышка.ipt
4 - Гайка.ipt
5 - Шпиндель.ipt
6 - Прижим.ipt
7 - Фиксатор.ipt
8 - Клапан.ipt
11 - Шайба.ipt
12 - Шнур уплотнительный.ipt
Вентиль В-265.ipj
Клапан плунжерный.cdw
Клапан плунжерный.pdf
Рукоятка.cdw
Рукоятка.pdf
Сборка - Вентиль В-265.iam
Сборка - Рукоятка.iam
Картинка-подпись
Если работа Вам была полезна, Пожалуйста, потратьте несколько секунд, чтобы оставить нам 5 ЗВЁЗД и положительный отзывы. Мы Вам глубоко признателены!

Комментарии

chjzmc_omg: Че делать с этим
Напишите мне в раздел Написать эксперту . Мы обсудим в Чате.
Harvey: https://studizba.com/files/himiya/task/462401-pomosch-s-vypolneniem-dz-reshenie-lyuboy-zadachi.html
Че делать с этим
chjzmc_omg: Да
Напишите мне в раздел Написать эксперту
Harvey: Здравствуйте! Вам еще нужна эта сборка (В КОМПАСЕ)?
Да
chjzmc_omg: У тебя получилось конвертировать в компас?
Здравствуйте! Вам еще нужна эта сборка (В КОМПАСЕ)?
amaze25012006: как мне конвертировать в компас?
У тебя получилось конвертировать в компас?
как мне конвертировать в компас?
Поделитесь ссылкой:
Цена: 3 000 990 руб.
Расширенная гарантия +3 недели гарантии, +10% цены
Несколько человек купили за последний месяц
Рейтинг покупателей
5 из 5
Поделитесь ссылкой:
Сопутствующие материалы

Подобрали для Вас услуги

-58%
Вы можете использовать домашнюю работу для примера, а также можете ссылаться на неё в своей работе. Авторство принадлежит автору работы, поэтому запрещено копировать текст из этой работы для любой публикации, в том числе в свою домашнюю работу в учебном заведении, без правильно оформленной ссылки. Читайте как правильно публиковать ссылки в своей работе.
Свежие статьи
Популярно сейчас
Почему делать на заказ в разы дороже, чем купить готовую учебную работу на СтудИзбе? Наши учебные работы продаются каждый год, тогда как большинство заказов выполняются с нуля. Найдите подходящий учебный материал на СтудИзбе!
Ответы на популярные вопросы
Да! Наши авторы собирают и выкладывают те работы, которые сдаются в Вашем учебном заведении ежегодно и уже проверены преподавателями.
Да! У нас любой человек может выложить любую учебную работу и зарабатывать на её продажах! Но каждый учебный материал публикуется только после тщательной проверки администрацией.
Вернём деньги! А если быть более точными, то автору даётся немного времени на исправление, а если не исправит или выйдет время, то вернём деньги в полном объёме!
Да! На равне с готовыми студенческими работами у нас продаются услуги. Цены на услуги видны сразу, то есть Вам нужно только указать параметры и сразу можно оплачивать.
Отзывы студентов
Ставлю 10/10
Все нравится, очень удобный сайт, помогает в учебе. Кроме этого, можно заработать самому, выставляя готовые учебные материалы на продажу здесь. Рейтинги и отзывы на преподавателей очень помогают сориентироваться в начале нового семестра. Спасибо за такую функцию. Ставлю максимальную оценку.
Лучшая платформа для успешной сдачи сессии
Познакомился со СтудИзбой благодаря своему другу, очень нравится интерфейс, количество доступных файлов, цена, в общем, все прекрасно. Даже сам продаю какие-то свои работы.
Студизба ван лав ❤
Очень офигенный сайт для студентов. Много полезных учебных материалов. Пользуюсь студизбой с октября 2021 года. Серьёзных нареканий нет. Хотелось бы, что бы ввели подписочную модель и сделали материалы дешевле 300 рублей в рамках подписки бесплатными.
Отличный сайт
Лично меня всё устраивает - и покупка, и продажа; и цены, и возможность предпросмотра куска файла, и обилие бесплатных файлов (в подборках по авторам, читай, ВУЗам и факультетам). Есть определённые баги, но всё решаемо, да и администраторы реагируют в течение суток.
Маленький отзыв о большом помощнике!
Студизба спасает в те моменты, когда сроки горят, а работ накопилось достаточно. Довольно удобный сайт с простой навигацией и огромным количеством материалов.
Студ. Изба как крупнейший сборник работ для студентов
Тут дофига бывает всего полезного. Печально, что бывают предметы по которым даже одного бесплатного решения нет, но это скорее вопрос к студентам. В остальном всё здорово.
Спасательный островок
Если уже не успеваешь разобраться или застрял на каком-то задание поможет тебе быстро и недорого решить твою проблему.
Всё и так отлично
Всё очень удобно. Особенно круто, что есть система бонусов и можно выводить остатки денег. Очень много качественных бесплатных файлов.
Отзыв о системе "Студизба"
Отличная платформа для распространения работ, востребованных студентами. Хорошо налаженная и качественная работа сайта, огромная база заданий и аудитория.
Отличный помощник
Отличный сайт с кучей полезных файлов, позволяющий найти много методичек / учебников / отзывов о вузах и преподователях.
Отлично помогает студентам в любой момент для решения трудных и незамедлительных задач
Хотелось бы больше конкретной информации о преподавателях. А так в принципе хороший сайт, всегда им пользуюсь и ни разу не было желания прекратить. Хороший сайт для помощи студентам, удобный и приятный интерфейс. Из недостатков можно выделить только отсутствия небольшого количества файлов.
Спасибо за шикарный сайт
Великолепный сайт на котором студент за не большие деньги может найти помощь с дз, проектами курсовыми, лабораторными, а также узнать отзывы на преподавателей и бесплатно скачать пособия.
Популярные преподаватели
Добавляйте материалы
и зарабатывайте!
Продажи идут автоматически
6809
Авторов
на СтудИзбе
277
Средний доход
с одного платного файла
Обучение Подробнее