Для студентов МГТУ им. Н.Э.Баумана по предмету Инженерная графикаКлапан угловойКлапан угловой
4,9851108
2025-06-122025-06-12СтудИзба
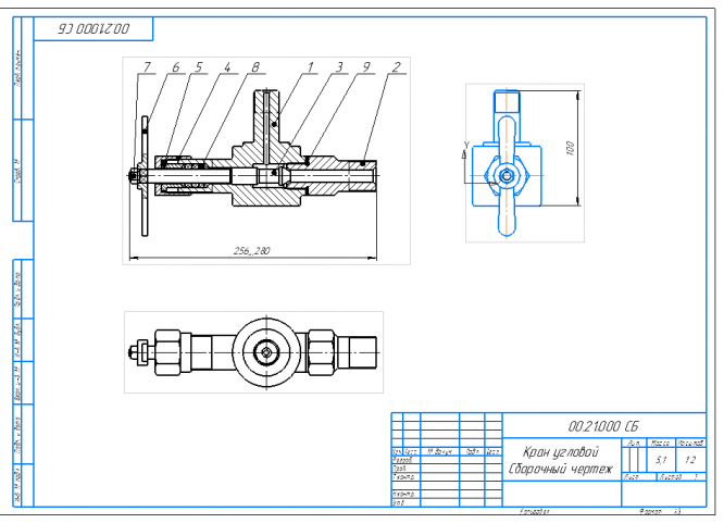
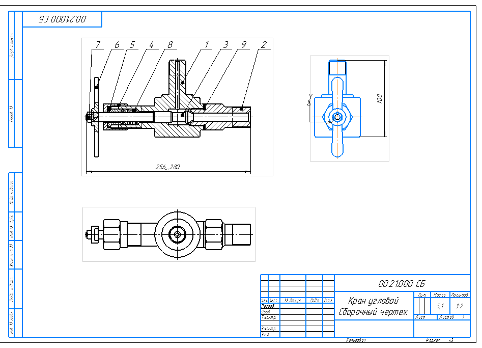
ДЗ: Клапан угловой вариант 26
Описание
Характеристики домашнего задания
Предмет
Учебное заведение
Семестр
Вариант
Программы
Просмотров
3
Размер
836,39 Kb
Список файлов
00.21.000 - Кран угловой (Разнесено).a3d
00.21.000 - Кран угловой.a3d
00.21.000 - Кран угловой.spw
00.21.000 СБ - Кран угловой Сборочный чертеж.cdw
00.21.001 - Корпус Изометрия.cdw
00.21.001 - Корпус.cdw
00.21.001 - Корпус.m3d
00.21.002 - Штуцер Изометрия.cdw
00.21.002 - Штуцер.cdw
00.21.002 - Штуцер.m3d
00.21.003 - Шпиндель.cdw
00.21.003 - Шпиндель.m3d
00.21.004 - Гайка накидная.cdw
00.21.004 - Гайка накидная.m3d
00.21.005 - Втулка.m3d
00.21.006 - Рукоятка.m3d
Картон А1 ГОСТ 9347-74.m3d
Кольцо СГ10-153 ГОСТ 618-81.m3d

Спасибо за покупку! Я буду очень рад, если поставишь справедливую оценку купленному файлу