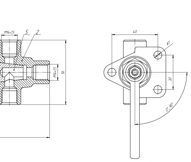
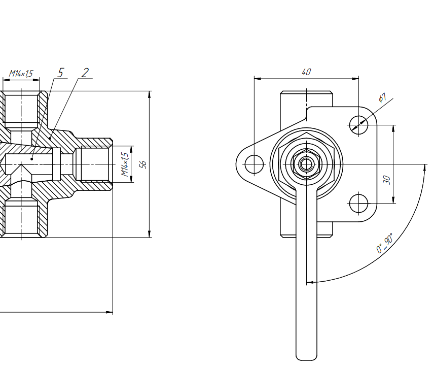
Для студентов МГТУ им. Н.Э.Баумана по предмету Инженерная графикаКран пробковыйКран пробковый
5,0051
2025-06-092025-10-25СтудИзба
ДЗ: Кран пробковый вариант 1
-50%
Описание
В архиве:
модели (Гайка нажимная, кольцо, корпус, пробка, рукоятка), определенная сборка сборка, чертёж к ней и спецификация, сделанные в КОМПАС-3D v22
![]()
модели (Гайка нажимная, кольцо, корпус, пробка, рукоятка), определенная сборка сборка, чертёж к ней и спецификация, сделанные в КОМПАС-3D v22
Файлы условия, демо
Характеристики домашнего задания
Предмет
Учебное заведение
Семестр
Вариант
Программы
Просмотров
44
Качество
Идеальное компьютерное
Размер
1,58 Mb
Список файлов
Новая папка
Кольцо.m3d
Корпус.m3d
Кран пробковый спецификация.pdf
Кран пробковый.cdw
Кран пробковый.pdf
Кран пробковый.spw
Кран пробковый1.a3d
Пробка.m3d
Гайка нажимная.m3d
Рукоятка.m3d
~$ан пробковый.cd~
~$ан пробковый.sp~
~$ан пробковый1.a3~
МГТУ им. Н.Э.Баумана
error_404_2026

















