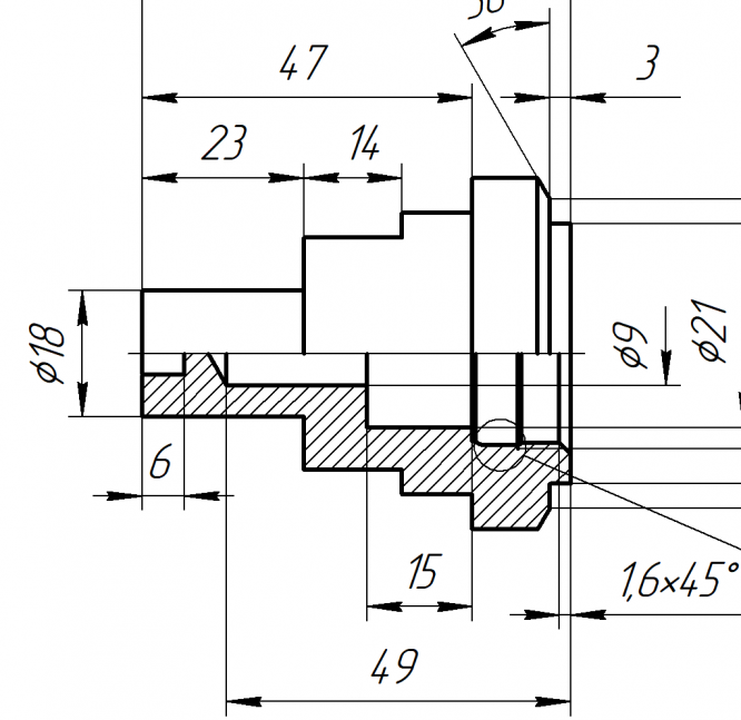
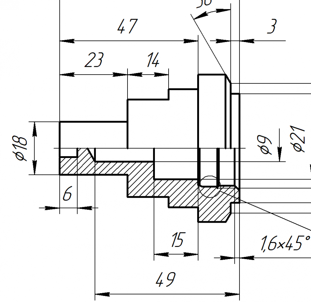
Для студентов МГТУ им. Н.Э.Баумана по предмету Инженерная графикаДеталь И-38Деталь И-38
5,0052
2025-06-012025-06-01СтудИзба
ДЗ И: Деталь И-38 вариант 38
Описание
Характеристики домашнего задания
Предмет
Учебное заведение
Семестр
Номер задания
Вариант
Программы
Просмотров
3
Качество
Идеальное компьютерное
Размер
173,69 Kb
Список файлов
и38.cdw
и38.m3d
Комментарии
Нет комментариев
Стань первым, кто что-нибудь напишет!
МГТУ им. Н.Э.Баумана
SubaKon


















