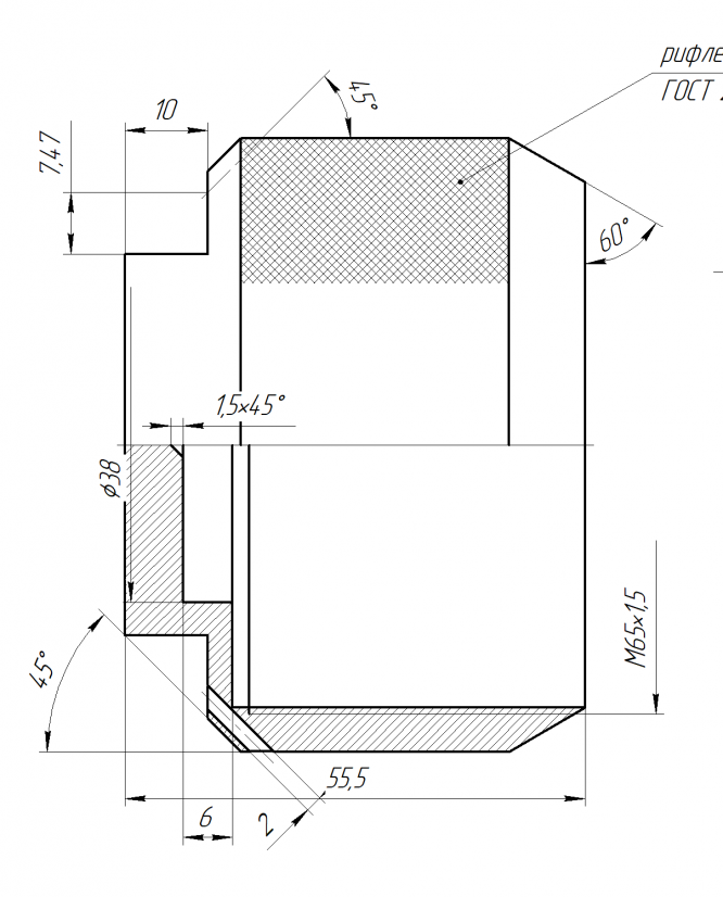
Для студентов МГТУ им. Н.Э.Баумана по предмету Инженерная графикаДеталь И-34Деталь И-34
5,0052
2025-06-012025-06-01СтудИзба
ДЗ И: Деталь И-34 вариант 34
Описание
Характеристики домашнего задания
Предмет
Учебное заведение
Семестр
Номер задания
Вариант
Программы
Просмотров
8
Качество
Идеальное компьютерное
Размер
210,93 Kb
Список файлов
34И.m3d
Деталь 34и _ Инжинерная графика.cdw
Комментарии
Нет комментариев
Стань первым, кто что-нибудь напишет!
МГТУ им. Н.Э.Баумана
SubaKon


















