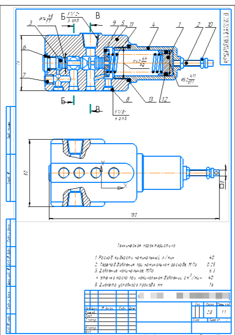
Для студентов МГТУ им. Н.Э.Баумана по предмету Инженерная графикаЗолотник напорныйЗолотник напорный
4,9951114
2024-10-072024-10-12СтудИзба
ДЗ: Золотник напорный вариант 16
Описание
Чертеж + спецификация Золотник напорный
![]()


Характеристики домашнего задания
Предмет
Учебное заведение
Семестр
Вариант
Программы
Просмотров
9
Размер
267,15 Kb
Список файлов
золотик.cdw
золтник.cdw

Спасибо за покупку! Я буду очень рад, если поставишь справедливую оценку купленному файлу