Главная » Учебные материалы » Инженерная графика » Домашние задания » МГТУ им. Н.Э.Баумана » 2 семестр » Номер 3 » Вариант 3 » Домашнее задание № 3 "Винтовое соединение" (с доп.заданием В.А. Рябова) - Элементы винтового соединения. Чертеж сборочной единицы. Спецификация
Для студентов МГТУ им. Н.Э.Баумана по предмету Инженерная графикаДомашнее задание № 3 "Винтовое соединение" (с доп.заданием В.А. Рябова) - Элементы винтового соединения. Чертеж сборочной единицы. СпецификацияДомашнее задание № 3 "Винтовое соединение" (с доп.заданием В.А. Рябова) - Элементы винтового соединения. Чертеж сборочной единицы. Спецификация
5,0053
2024-05-26СтудИзба

Домашнее задание № 3 "Винтовое соединение" (с доп.заданием В.А. Рябова) - Элементы винтового соединения. Чертеж сборочной единицы. Спецификация

Описание

Предмет: Инженерная графика, 1 курс, 1 семестр, 2 семестр

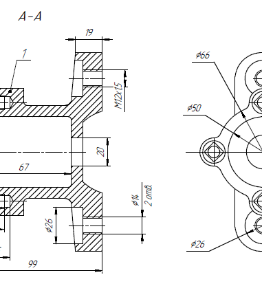
Домашнее задание № 3: Элементы винтового соединения. Чертеж сборочной единицы. Спецификация
В.А. Рябов оценил работу на максимальный балл.
Модель и чертежи сборки "Винтового соединения" с дополнительным заданием В.А. Рябова
В МОДЕЛИ ДОБАВЛЕНЫ НОЖКИ ДЛЯ КРЕПЛЕНИЯ!

Проверенное на максимальный балл ДЗ № 3 по инженерной графике на тему "Винтовое соединение", Вариант 3.
Задание выполнено в КОМПАС 3D v22 Учебная версия.
В архиве содержится:
1) модель корпуса
2) модель крышки
3) модель сборки
4) сборочный чертеж
5) чертеж винтового соединения
6) спецификация.



Показать/скрыть дополнительное описание

Домашнее задание № 3 \"Винтовое соединение\" (с доп.заданием В.А. Рябова) - Элементы винтового соединения. Чертеж сборочной единицы. Спецификация.

Файлы условия, демо

Характеристики домашнего задания

Учебное заведение
Семестр
Номер задания
Вариант
Программы
Теги
Просмотров
153
Качество
Идеальное компьютерное
Размер
758,55 Kb

Преподаватели

Список файлов

Чертежи и модели сборки
Корпус.m3d
Крышка.m3d
Сборка.a3d
Сборочный чертеж.cdw
Сборочный чертеж.cdw.bak
Спецификация.spw
Чертеж винтового соединения.cdw
Картинка-подпись
Если Вам все понравилось и вы получили за работу максимальный балл, то оцените нашу работу на 5 звезд. Мы работаем для вас и вашего рейтинга. Всем спасибо!

Комментарии

Нет комментариев
Стань первым, кто что-нибудь напишет!
Поделитесь ссылкой:
Цена: 800 руб.
Расширенная гарантия +3 недели гарантии, +10% цены
Рейтинг покупателей
5 из 5
Поделитесь ссылкой:
Сопутствующие материалы

Подобрали для Вас услуги

-27%
Вы можете использовать домашнюю работу для примера, а также можете ссылаться на неё в своей работе. Авторство принадлежит автору работы, поэтому запрещено копировать текст из этой работы для любой публикации, в том числе в свою домашнюю работу в учебном заведении, без правильно оформленной ссылки. Читайте как правильно публиковать ссылки в своей работе.
Свежие статьи
Популярно сейчас
А знаете ли Вы, что из года в год задания практически не меняются? Математика, преподаваемая в учебных заведениях, никак не менялась минимум 30 лет. Найдите нужный учебный материал на СтудИзбе!
Ответы на популярные вопросы
Да! Наши авторы собирают и выкладывают те работы, которые сдаются в Вашем учебном заведении ежегодно и уже проверены преподавателями.
Да! У нас любой человек может выложить любую учебную работу и зарабатывать на её продажах! Но каждый учебный материал публикуется только после тщательной проверки администрацией.
Вернём деньги! А если быть более точными, то автору даётся немного времени на исправление, а если не исправит или выйдет время, то вернём деньги в полном объёме!
Да! На равне с готовыми студенческими работами у нас продаются услуги. Цены на услуги видны сразу, то есть Вам нужно только указать параметры и сразу можно оплачивать.
Отзывы студентов
Ставлю 10/10
Все нравится, очень удобный сайт, помогает в учебе. Кроме этого, можно заработать самому, выставляя готовые учебные материалы на продажу здесь. Рейтинги и отзывы на преподавателей очень помогают сориентироваться в начале нового семестра. Спасибо за такую функцию. Ставлю максимальную оценку.
Лучшая платформа для успешной сдачи сессии
Познакомился со СтудИзбой благодаря своему другу, очень нравится интерфейс, количество доступных файлов, цена, в общем, все прекрасно. Даже сам продаю какие-то свои работы.
Студизба ван лав ❤
Очень офигенный сайт для студентов. Много полезных учебных материалов. Пользуюсь студизбой с октября 2021 года. Серьёзных нареканий нет. Хотелось бы, что бы ввели подписочную модель и сделали материалы дешевле 300 рублей в рамках подписки бесплатными.
Отличный сайт
Лично меня всё устраивает - и покупка, и продажа; и цены, и возможность предпросмотра куска файла, и обилие бесплатных файлов (в подборках по авторам, читай, ВУЗам и факультетам). Есть определённые баги, но всё решаемо, да и администраторы реагируют в течение суток.
Маленький отзыв о большом помощнике!
Студизба спасает в те моменты, когда сроки горят, а работ накопилось достаточно. Довольно удобный сайт с простой навигацией и огромным количеством материалов.
Студ. Изба как крупнейший сборник работ для студентов
Тут дофига бывает всего полезного. Печально, что бывают предметы по которым даже одного бесплатного решения нет, но это скорее вопрос к студентам. В остальном всё здорово.
Спасательный островок
Если уже не успеваешь разобраться или застрял на каком-то задание поможет тебе быстро и недорого решить твою проблему.
Всё и так отлично
Всё очень удобно. Особенно круто, что есть система бонусов и можно выводить остатки денег. Очень много качественных бесплатных файлов.
Отзыв о системе "Студизба"
Отличная платформа для распространения работ, востребованных студентами. Хорошо налаженная и качественная работа сайта, огромная база заданий и аудитория.
Отличный помощник
Отличный сайт с кучей полезных файлов, позволяющий найти много методичек / учебников / отзывов о вузах и преподователях.
Отлично помогает студентам в любой момент для решения трудных и незамедлительных задач
Хотелось бы больше конкретной информации о преподавателях. А так в принципе хороший сайт, всегда им пользуюсь и ни разу не было желания прекратить. Хороший сайт для помощи студентам, удобный и приятный интерфейс. Из недостатков можно выделить только отсутствия небольшого количества файлов.
Спасибо за шикарный сайт
Великолепный сайт на котором студент за не большие деньги может найти помощь с дз, проектами курсовыми, лабораторными, а также узнать отзывы на преподавателей и бесплатно скачать пособия.
Популярные преподаватели
Добавляйте материалы
и зарабатывайте!
Продажи идут автоматически
6865
Авторов
на СтудИзбе
271
Средний доход
с одного платного файла
Обучение Подробнее
{user_main_secret_data}