Для студентов МГТУ им. Н.Э.Баумана по предмету Инженерная графикаВентильВентиль
4,9957650
2022-08-162022-08-16СтудИзба
ДЗ В: Вентиль вариант 212
Описание
В архиве содержится нужные файлы для Вас:
Чертежи в .pdf (Листы А2 + А4)
Чертежи в Inventor расширение (.idw) - Заменить ФИО и сдавать!
Спецификация имеется к сборке.
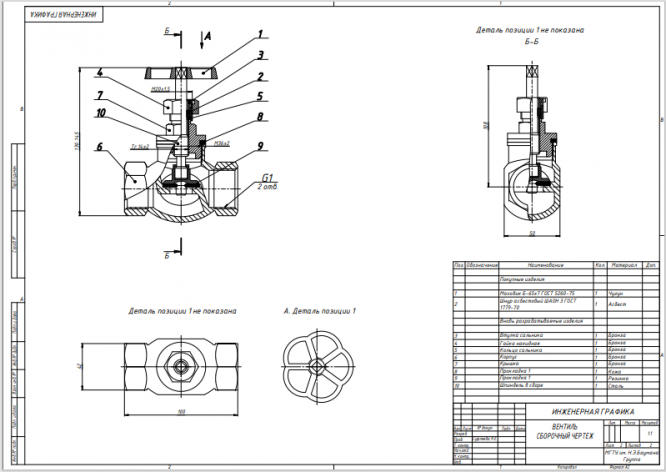
ДЕМО
Сборка \"Вентиль\" В-212.
Характеристики домашнего задания
Предмет
Учебное заведение
Семестр
Номер задания
Вариант
Программы
Просмотров
95
Качество
Идеальное компьютерное
Размер
1,18 Mb
Список файлов
СБОРОЧНЫЙ ЧЕРТЕЖ.pdf
ЧЕРТЕЖ СБОРКА .idw
Шпидель в сборе 09_12.idw
Шпидель в сборе.pdf

Если работа Вам была полезна, Пожалуйста, потратьте несколько секунд, чтобы оставить нам 5 ЗВЁЗД и положительный отзывы. Мы Вам глубоко признателены!