Для студентов МГТУ им. Н.Э.Баумана по предмету Инженерная графикаПарораспределитель № 25-12(14)Парораспределитель № 25-12(14)
5,00522
2022-04-292022-04-29СтудИзба
ДЗ 25: Парораспределитель № 25-12(14) вариант 12
Описание
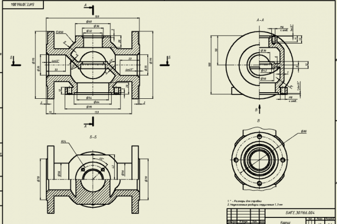
В файле представлена полная деталировка с моделями и чертежами. Все подписали и зачли. Все модели обозначены по классификатору По вопросам можно писать в вк (просто вставьте имя автора через @ в поиске вк)
![]()




Файлы условия, демо
Характеристики домашнего задания
Предмет
Учебное заведение
Семестр
Номер задания
Вариант
Программы
Теги
Просмотров
66
Качество
Идеальное компьютерное
Размер
37,22 Mb
Список файлов
Парораспределитель № 25-12
Autocad
OldVersions
!Втулка.0003.dwg
!Клапан.0011.dwg
!Корпус 14.0017.dwg
!Корпус15.0029.dwg
!Крышка 17.0004.dwg
!Крышка.0010.dwg
!Основание.0010.dwg
!Прокладка 19.0001.dwg
!Прокладка 20.0002.dwg
!Пружина .0004.dwg
!Седло.0004.dwg
!Тарелка 23.0004.dwg
!Тарелка 24.0003.dwg
!Тарелка.0003.dwg
!Цилиндр.0017.dwg
!Шток.0011.dwg
Основание1.0001.dwg
Пружина сжатия11.0003.dwg
Сборка1.0041.dwg
Цилиндр.0011.dwg
клапан.0006.dwg
корпус 14-1.0009.dwg
корпус 15.0006.dwg
шток.0007.dwg
!Втулка.dwg
!Клапан.dwg
!Корпус 14.dwg
!Корпус15.dwg