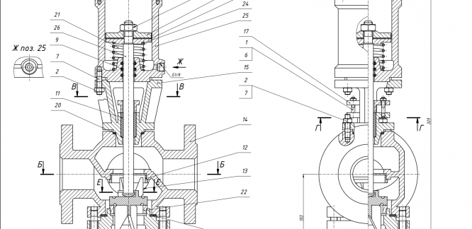
Для студентов МГТУ им. Н.Э.Баумана по предмету Инженерная графикапарораспределитель 25-14парораспределитель 25-14
5,00541
2022-03-042022-03-04СтудИзба
ДЗ 25: парораспределитель 25-14 вариант 14
Описание
Характеристики домашнего задания
Предмет
Учебное заведение
Семестр
Номер задания
Вариант
Просмотров
59
Качество
Идеальное компьютерное
Размер
14,12 Mb
Список файлов
ЯКОРЬ 25.ipt
ШАЙБА НАЖИМНАЯ 24.ipt
ПРОКЛАДКА 21.ipt
ПРОКЛАДКА 20.ipt
КОНУС 18.ipt
КОНУС 17.ipt
ЗАГЛУШКА 15.ipt
Шток 26.idw
СПЕЦИФИКАЦИЯ.xls
Сборка2.idw
Пружина 21.idw
Прокладка 20.idw
Прокладка 19.idw
основание 18-1.idw
крышка 17.idw
Корпус 15.idw
корпус 14.idw
клапан 13.idw
Втулка 12.idw
25цилиндр.idw
24тарелка.idw
23тарелка.idw
22седло.idw
16крышка.idw
10 Манжета.ipt
11 Шнур.ipt
16крышка.ipt
22седло.ipt
23тарелка.ipt
24тарелка.ipt
25цилиндр.ipt
Втулка 12.ipt
клапан 13.ipt
корпус 14 исправленый.ipt
Корпус 15.ipt
крышка 17.ipt
основание 18.ipt
Прокладка 19.ipt
Прокладка 20.ipt
Пружина 21.ipt
Шток 26.ipt
СЧ 25-14.pdf
Тарелка 12.pdf
Тарелка 13.pdf
Цилиндр 14.pdf
Шток 15.pdf
2020-12-09 (1).png
2020-12-09 (3).png
2020-12-09 (4).png
2020-12-09 (5).png
2020-12-09 (7).png
2020-12-09 (8).png
2020-12-09 (9).png
2020-12-09.png
Втулка 1.pdf
Корпус 3.pdf
Корпус 4.pdf
Крышка 5.pdf
Крышка 6.pdf
Основание 7.pdf
Прокладка 8.pdf
Прокладка 9.pdf
Пружина 10.pdf
Седло 11.pdf
СПЕЦИФИКАЦИЯ 25-14 лист 1.pdf
СПЕЦИФИКАЦИЯ 25-14 лист 2.pdf
СПЕЦМФИКАЦИЯ 25-14.xls
Комментарии
Отзыв
нормально
МГТУ им. Н.Э.Баумана


















