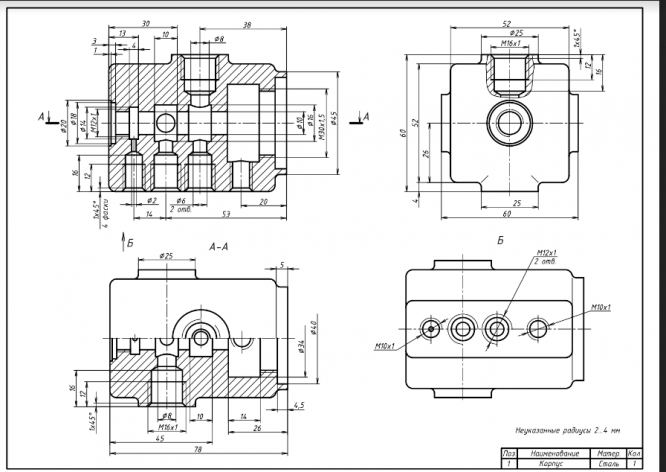
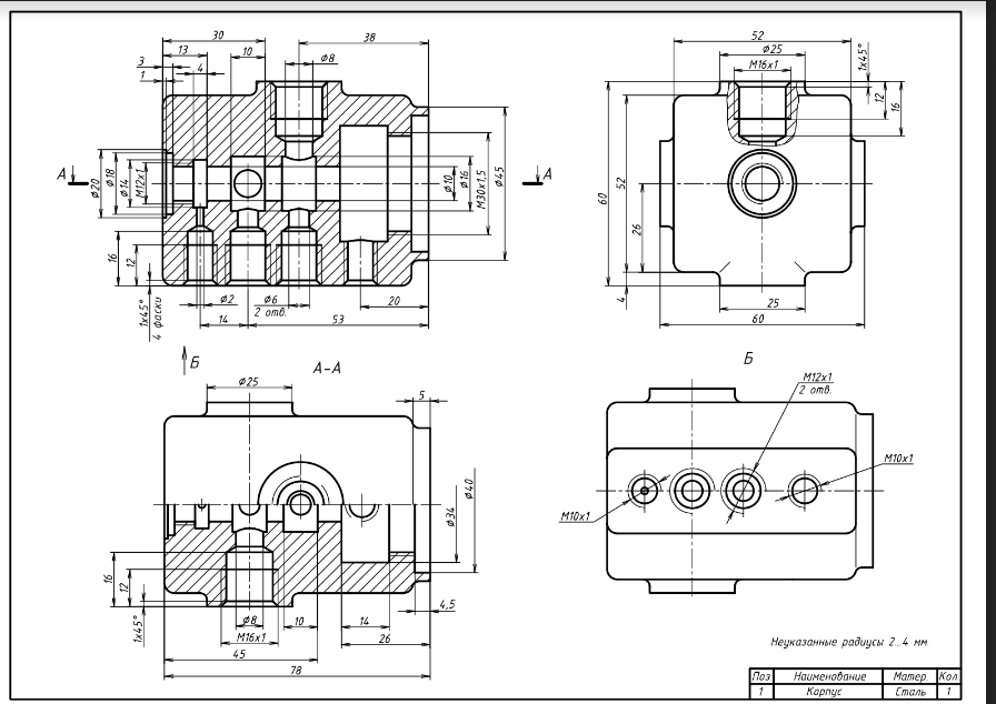
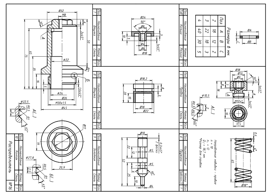
Для студентов МГТУ им. Н.Э.Баумана по предмету Инженерная графика16 вариант Распределитель16 вариант Распределитель
3,53581
2020-12-122024-10-02СтудИзба
ДЗ: 16 вариант Распределитель вариант 16
Описание
Характеристики домашнего задания
Предмет
Учебное заведение
Семестр
Вариант
Просмотров
151
Размер
8,51 Mb
Список файлов
Распределитель
OldVersions
Втулка.0002.ipt
Втулка2.0003.ipt
Золотник.0002.ipt
Колпак.0002.ipt
Кольцо2.0003.ipt
Кольцо3.0003.ipt
Кольцо4.0002.ipt
Пробка.0003.ipt
Сборка1.0020.idw
Сборка1.0021.iam
Э731.000016.000.0005.idw
Э731.000016.000.pdf.0001.idw
корпус.0007.ipt
прууууууужинка.0014.ipt
Втулка.ipt
Втулка2.ipt
Золотник.ipt
Колпак.ipt
Кольцо2.ipt
Кольцо3.ipt
Кольцо4.ipt
Пробка.ipt
Сборка1.iam
Сборка1.idw
Сборка1.pdf
Сборка2.iam
Спецификация.xls
корпус.ipt
прууууууужинка.ipt
Комментарии
Отзыв
там нету чертежей
МГТУ им. Н.Э.Баумана

















