Для студентов МГТУ им. Н.Э.Баумана по предмету Инженерная графикаСтеллаж И-33Стеллаж И-33
5,00552
2018-06-042018-06-04СтудИзба
ДЗ И: Стеллаж И-33 вариант 33
Описание
Характеристики домашнего задания
Предмет
Учебное заведение
Семестр
Номер задания
Вариант
Просмотров
724
Качество
Идеальное компьютерное
Размер
936,46 Kb
Список файлов
И-33
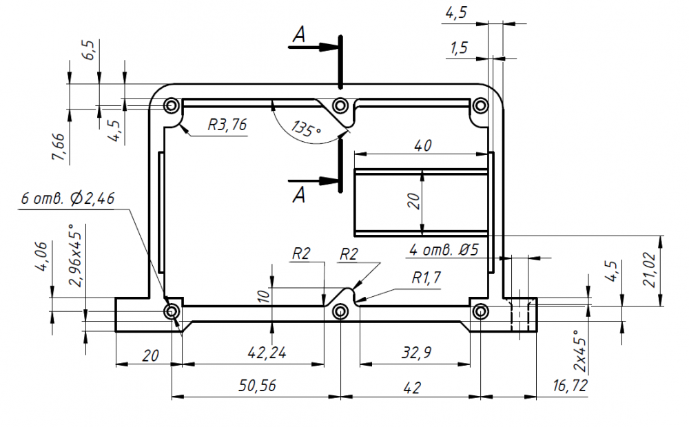
Крышка.dwg
Крышка.ipt
Крышка.pdf
Комментарии
white_pony609: не деталь и33
За 6 лет эту железку вполне могли назвать по-другому. На этот случай картинка стоит на превью, чтобы не покупать кота в мешке.
Отзыв
не деталь и33
МГТУ им. Н.Э.Баумана

















